Este produto é um módulo óptico de 400 Gb/s Quad Small Form Factor Pluggable-double density (QSFP-DD) projetado para aplicações de comunicação óptica de 10km.
Este produto é um módulo óptico de 400 Gb/s Quad Small Form Factor Pluggable-double density (QSFP-DD) projetado para aplicações de comunicação óptica de 10km. O módulo converte 8 canais de dados de entrada elétrica de 50 Gb/s (PAM4) em 4 canais de sinais ópticos CWDM e os multiplexa em um único canal para transmissão óptica de 400 Gb/s. Inversamente, no lado do receptor, o módulo desmultiplexa opticamente uma entrada óptica de 400 Gb/s em 4 canais de sinais ópticos CWDM e os converte em 8 canais de 50 Gb/s (PAM4) dados de saída elétrica.
Os comprimentos de onda centrais dos 4 canais CWDM são 1271, 1291, 1311 e 1331 nm como membros da grade de comprimento de onda CWDM definida na ITU-T G.694.2. Ele contém um conector LC duplex para a interface óptica e um conector de 76 pinos para a interface elétrica. Para minimizar a dispersão óptica no sistema de longa distância, a fibra de modo único (SMF) deve ser aplicada neste módulo. O host FEC é necessário para suportar transmissão de fibra de até 10km.
Ele é projetado com fator de forma, conexão óptica/elétrica e interface de diagnóstico digital de acordo com o QSFP-DD Multi-Source Agreement (MSA) Tipo 2. Ele foi projetado para atender às condições operacionais externas mais adversas, incluindo temperatura, umidade e interferência EMI.
Descrição funcional
O módulo incorpora 4 canais independentes no comprimento de onda central CWDM4 1271/1291/1311/1331nm, operando a 100G por canal. O caminho do transmissor incorpora um driver EML de canal quad e lasers EML junto com um multiplexador óptico. No caminho do receptor, um desmultiplexador óptico é acoplado a um conjunto de fotodiodos de 4 canais. Uma caixa de engrenagens com base DSP é usada para converter 8 canais de 25 sinais GBaud PAM4 em 4 canais de sinais PAM4 de 50GBaud e também um retemporizador de 8 canais e bloco FEC estão integrados neste DSP. A interface elétrica é compatível com IEEE 802.3bs e QSFP-DD MSA nas direções de transmissão e recepção, e a interface óptica é compatível com IEEE 802.3bs com conector LC duplex.
Uma única fonte de alimentação de 3,3 V é necessária para alimentar este produto. Todos os pinos da fonte de alimentação são conectados internamente e devem ser aplicados simultaneamente. De acordo com as especificações da MSA, o módulo oferece sete pinos de controle de hardware de baixa velocidade (incluindo a interface serial de 2 fios): ModSelL, SCL, SDA, ResetL, InitMode, ModPrsL e IntL.
Módulo Select (ModSelL) é um pino de entrada. Quando mantido baixo pelo host, este produto responde a comandos de comunicação serial de 2 fios. O ModSelL permite o uso deste produto em um único barramento de interface de 2 fios-linhas individuais ModSelL devem ser usadas. O Relógio Serial (SCL) e os Dados Seriais (SDA) são necessários para a interface de comunicação do barramento serial de 2 fios e permitem que o host acesse o mapa de memória.
O pino ResetL permite uma redefinição completa, retornando as configurações ao seu estado padrão, quando um nível baixo no pino ResetL é mantido por mais tempo do que o comprimento de pulso mínimo. Durante a execução de uma reinicialização, o host deve desconsiderar todos os bits de status até que indique uma conclusão da interrupção de reinicialização. O produto indica isso postando um sinal IntL (Interromper) com o bit Data_Not_Ready negado no mapa de memória. Observe que no power up (incluindo o íon quente) o módulo deve postar esta conclusão da interrupção de reinicialização sem exigir uma reinicialização.
O modo de inicialização (InitMode) é um sinal de entrada. É puxado até Vcc no módulo QSFP-DD. O sinal InitMode permite que o host defina se o módulo de QSFP-DD será inicializado sob controle de software host (InitMode afirmado High) ou controle de hardware de módulo (InitMode deasserted Low). Sob o controle do software host, o módulo deve permanecer no modo de baixa potência até que o software permita a transição para o modo de alta potência, conforme definido na especificação da interface de gerenciamento de QSFP-DD. Sob controle de hardware (InitMode desafirmado Low), o módulo pode imediatamente fazer a transição para o Modo de Alta Potência após a interface de gerenciamento ser inicializada. O host não deve alterar o estado deste sinal enquanto o módulo estiver presente. Em aplicativos QSFP legados, este sinal é denominado LPMode. Consulte SFF-8679 para Deion de sinal LPMode.
Module Present (ModPrsL) é um sinal local para a placa host que, na ausência de um produto, é normalmente puxado para o Vcc host. Quando o produto é colocado no conector, ele completa o caminho para o solo através de um resistor na placa host e afirma o sinal. ModPrsL então indica seu presente definindo ModPrsL para um estado “Baixo”.
Interromper (IntL) é um pino de saída. “Baixo” indica uma possível falha operacional ou um status crítico para o sistema host. O host identifica a origem da interrupção usando a interface serial de 2 fios. O pino IntL é uma saída de coletor aberto e deve ser puxado para a tensão Host Vcc na placa Host.
Características
● 4 faixas CWDM design MUX/DEMUX
● 100G Lambda MSA 400G-LR4 Especificação compatível
● Transmissão de até 10km em fibra de modo único (SMF) com FEC
● Temperatura do caso de operação: 0 a 70 °C
● Interface elétrica de 8x53.125 Gb/s (400GAUI-8)
● Taxa de dados 106,25 Gbps (PAM4) por canal.
● Consumo máximo de energia 12W • Conector Duplex LC
● Compatível com RoHS
Diagrama do bloco do transceptor

Figura 1. Diagrama do bloco do transceptor
Atribuição Pin e Descrição
A pinagem elétrica do módulo de QSFP-DD é mostrada na Figura 2 abaixo.
Figura 2. Conector compatível com MSA
Definição de Pin
Pin # | Lógica | Símbolo | Deion | Sequência de plugue |
1 | GND | Chão | 1B | |
2 | CML-I | Tx2n | Entrada de dados invertida do transmissor | 3B |
3 | CML-I | Tx2p | Entrada de dados não invertida do transmissor | 3B |
4 | GND | Chão | 1B | |
5 | CML-I | Tx4n | Entrada de dados invertida do transmissor | 3B |
6 | CML-I | Tx4p | Entrada de dados não invertida do transmissor | 3B |
7 | GND | Chão | 1B | |
8 | LVTTL-I | ModSelL | Módulo Selecionar | 3B |
9 | LVTTL-I | ResetL | Módulo Reset | 3B |
10 | VccRx | 3.3V Receptor da fonte de alimentação | 2B | |
11 | LVCMOS-I/O | SCL | Relógio de interface serial de 2 fios | 3B |
12 | LVCMOS-I/O | SDA | Dados de interface serial de 2 fios | 3B |
13 | GND | Chão | 1B | |
14 | CML-O | Rx3p | Saída de dados não invertida do receptor | 3B |
15 | CML-O | Rx3n | Saída de dados invertida do receptor | 3B |
16 | GND | Chão | 1B | |
17 | CML-O | Rx1p | Saída de dados não invertida do receptor | 3B |
18 | CML-O | Rx1n | Saída de dados invertida do receptor | 3B |
19 | GND | Chão | 1B | |
20 | GND | Chão | 1B | |
21 | CML-O | Rx2n | Saída de dados invertida do receptor | 3B |
22 | CML-O | Rx2p | Saída de dados não invertida do receptor | 3B |
23 | GND | Chão | 1B | |
24 | CML-O | Rx4n | Saída de dados invertida do receptor | 3B |
25 | CML-O | Rx4p | Saída de dados não invertida do receptor | 3B |
26 | GND | Chão | 1B | |
27 | LVTTL-O | ModPrsL | Módulo Presente | 3B |
28 | LVTTL-O | IntL | Interromper | 3B |
29 | VccTx | Transmissor de fonte de alimentação 3.3V | 2B | |
30 | Vcc1 | 3.3V Fonte de alimentação | 2B | |
31 | LVTTL-I | InitMode | Modo de inicialização; Em aplicações QSFP legadas, o InitMode Almofada é chamada LPMODE | 3B |
32 | GND | Chão | 1B | |
33 | CML-I | Tx3p | Entrada de dados não invertida do transmissor | 3B |
34 | CML-I | Tx3n | Entrada de dados invertida do transmissor | 3B |
35 | GND | Chão | 1B | |
36 | CML-I | Tx1p | Entrada de dados não invertida do transmissor | 3B |
37 | CML-I | Tx1n | Entrada de dados invertida do transmissor | 3B |
38 | GND | Chão | 1B | |
39 | GND | Chão | 1A | |
40 | CML-I | Tx6n | Entrada de dados invertida do transmissor | 3A |
41 | CML-I | Tx6p | Entrada de dados não invertida do transmissor | 3A |
42 | GND | Chão | 1A | |
43 | CML-I | Tx8n | Entrada de dados invertida do transmissor | 3A |
44 | CML-I | Tx8p | Entrada de dados não invertida do transmissor | 3A |
45 | GND | Chão | 1A | |
46 | Reservado | Para uso futuro | 3A | |
47 | VS1 | Módulo fornecedor específico 1 | 3A | |
48 | VccRx1 | Fonte de alimentação 3.3V | 2A | |
49 | VS2 | Módulo fornecedor específico 2 | 3A | |
50 | VS3 | Módulo fornecedor específico 3 | 3A | |
51 | GND | Chão | 1A | |
52 | CML-O | Rx7p | Saída de dados não invertida do receptor | 3A |
53 | CML-O | Rx7n | Saída de dados invertida do receptor | 3A |
54 | GND | Chão | 1A | |
55 | CML-O | Rx5p | Saída de dados não invertida do receptor | 3A |
56 | CML-O | Rx5n | Saída de dados invertida do receptor | 3A |
57 | GND | Chão | 1A | |
58 | GND | Chão | 1A | |
59 | CML-O | Rx6n | Saída de dados invertida do receptor | 3A |
60 | CML-O | Rx6p | Saída de dados não invertida do receptor | 3A |
61 | GND | Chão | 1A | |
62 | CML-O | Rx8n | Saída de dados invertida do receptor | 3A |
63 | CML-O | Rx8p | Saída de dados não invertida do receptor | 3A |
64 | GND | Chão | 1A | |
65 | NC | Sem conexão | 3A | |
66 | Reservado | Para uso futuro | 3A | |
67 | VccTx1 | Fonte de alimentação 3.3V | 2A | |
68 | Vcc2 | Fonte de alimentação 3.3V | 2A | |
69 | Reservado | Para o uso futuro | 3A | |
70 | GND | Chão | 1A | |
71 | CML-I | Tx7p | Entrada de dados não invertida do transmissor | 3A |
72 | CML-I | Tx7n | Entrada de dados invertida do transmissor | 3A |
73 | GND | Chão | 1A | |
74 | CML-I | Tx5p | Entrada de dados não invertida do transmissor | 3A |
75 | CML-I | Tx5n | Entrada de dados invertida do transmissor | 3A |
76 | GND | Chão | 1A |
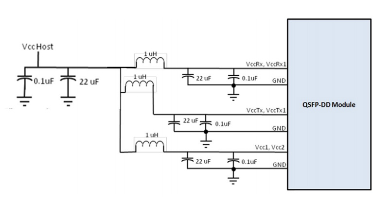
Filtro de fonte de alimentação recomendado

Figura 3. Filtro de fonte de alimentação recomendado
Avaliações máximas absolutas
Deve-se notar que a operação além de quaisquer classificações máximas absolutas individuais pode causar danos permanentes a este módulo.
Parâmetro | Símbolo | Min | Max | Unidades | Nota |
Temperatura de armazenamento | TS | -40 | 85 | DegC | |
Temperatura do caso de funcionamento | TOP | 0 | 70 | DegC | |
Tensão de alimentação | VCC | -0,5 | 3.6 | V | |
Humidade relativa (Não-condensação) | RH | 0 | 85 | % | |
Limiar de danos, cada pista | THd | 5 | DBm |
Condições operacionais recomendadas e requisitos de fornecimento de energia
Parâmetro | Símbolo | Min | Típico | Max | Unidades | Notas |
Temperatura do caso de funcionamento | TOP | 0 | 70 | DegC | ||
Tensão de alimentação | VCC | 3.135 | 3.3 | 3.465 | V | |
Taxa de dados, cada pista | 26.5625 | GBd | PAM4 | |||
Precisão da taxa de dados | -100 | 100 | Ppm | |||
Relação de erro pré-FEC Bit | 0 | 2.4x10-4 | ||||
Razão de erro pós-FEC Bit | 0,002 | 1x10-12 | K | 1 | ||
Link Distância | D | 0,002 | 10 | KM | 2 |
Notas:
1. FEC fornecido pelo sistema host.
2. FEC exigido no sistema do anfitrião para apoiar a distância máxima.
Características elétricas
As seguintes acterísticas elétricas são definidas no ambiente operacional recomendado, a menos que especificado de outra forma.
Parâmetro | Ponto de teste | Min | Típico | Max | Unidades | Notas |
Consumo de energia | 12 | W | ||||
Atual de fornecimento | Icc | 3.64 | Um | |||
Transmissor (cada pista) | ||||||
Taxa de sinalização, Cada pista | TP1 | 26,5625 ± 100 ppm | GBd | |||
Diferencial pk-pk Tolerância de tensão de entrada | TP1a | 900 | MVpp | 1 | ||
Diferencial Rescisão Incompatibilidade | TP1 | 10 | % | |||
Diferencial Entrada Devolução Perda | TP1 | IEEE 802.3- 2015 Equação (83E-5) | DB | |||
Diferencial para Comum Modo de entrada Perda de retorno | TP1 | IEEE 802.3- 2015 Equação (83E-6) | DB | |||
Módulo estressado Teste de entrada | TP1a | Veja IEEE 802.3bs 120E.3.4.1 | 2 | |||
Único-terminado Tolerância de tensão Faixa (Min) | TP1a | -0,4 a 3,3 | V | |||
DC Comum Modo de entrada Tensão | TP1 | -350 | 2850 | MV | 3 | |
Receptor (Cada pista) | ||||||
Taxa de sinalização, Cada pista | TP4 | 26,5625 ± 100 ppm | GBd | |||
Diferencial Pico a Pico Saída Tensão | TP4 | 900 | MVpp | |||
AC Comum Modo de saída Tensão, RMS | TP4 | 17,5 | MV | |||
Diferencial Rescisão Incompatibilidade | TP4 | 10 | % | |||
Diferencial Saída Devolução Perda | TP4 | IEEE 802.3- 2015 Equação (83E-2) | ||||
Comum Para Diferencial Modo Conversão Devolução Perda | TP4 | IEEE 802.3- 2015 Equação (83E-3) | ||||
Transição Tempo, 20% Para 80% | TP4 | 9,5 | Ps | |||
Perto do fim Olho Simetria Máscara Largura (ESMW) | TP4 | 0,265 | UI | |||
Perto do fim Olho Altura, Diferencial | TP4 | 70 | MV | |||
Extremo distante Olho Simetria Máscara Largura (ESMW) | TP4 | 0,2 | UI | |||
Extremo distante Olho Altura, Diferencial | TP4 | 30 | MV | |||
Extremo distante Pré-cursor Relação ISI | TP4 | -4.5 | 2.5 | % | ||
Comum Modo Saída Tensão (Vcm) | TP4 | -350 | 2850 | MV | 3 | |
Notas:
1. Com exceção do IEEE 802.3bs 120E.3.1.2, o padrão é PRBS31Q ou ocioso embaralhado.
2. Atende BER especificado em IEEE 802.3bs 120E.1.1.
3. tensão de modo comum DC gerada pelo host. A especificação inclui efeitos da tensão de deslocamento do solo.
Características ópticas
Parâmetro | Símbolo | Min | Típico | Max | Unidade | Notas |
Comprimento de onda Atribuição | L0 | 1264.5 | 1271 | 1277,5 | Nm | |
L1 | 1284.5 | 1291 | 1297,5 | Nm | ||
L2 | 1304.5 | 1311 | 1317,5 | Nm | ||
L3 | 1324.5 | 1331 | 1337,5 | Nm | ||
Transmissor | ||||||
Taxa de dados, Cada pista | 53,125 ± 100 ppm | Gbd | ||||
Modulação Formato | PAM4 | |||||
Lado-modo Razão de Supressão | SMSR | 30 | DB | |||
Média Total Poder de lançamento | PT | 10.0 | DBm | |||
Lançamento médio Poder, Cada pista | PAVG | -2.8 | 4.0 | DBm | 1 | |
Óptico exterior Amplitude de modulação (OMAouter), Cada pista | POMA | 0,2 | 4.2 | DBm | 2 | |
Poder de lançamento em OMAouter menos TDECQ), cada pista Para ER ≥ 4.5dB Para ER < 4.5dB | -1.2 -1.1 | DB | ||||
Transmissor e Dispersão Olho Encerramento para PAM4, Cada pista | TDECQ | 3.9 | DB | |||
TDECQ - 10 * log10(Ceq), Cada pista | 3.9 | DB | 3 | |||
Relação de extinção | ER | 3.5 | DB | |||
Diferença em Poder de lançamento Entre qualquer Duas pistas (OMAouter) | 4 | DB | ||||
RIN15.6OMA | RIN | -136 | DB/Hz | |||
Retorno óptico Perda Tolerância | TOL | 15.6 | DB | |||
Transmissor Reflectância | RT | -26 | DB | |||
Transmissor Transição Tempo | 17 | Ps | ||||
Lançamento médio Potência de OFF Transmissor, Cada pista | Poff | -20 | DBm | |||
Receptor | ||||||
Taxa de dados, cada pista | 53,125 ± 100 ppm | Gbd | ||||
Formato de modulação | PAM4 | |||||
Limiar de danos, Cada pista | THd | 5.0 | DBm | 4 | ||
Receber média Poder, cada pista | -9,1 | 4.0 | DBm | 5 | ||
Receber Poder (OMAouter), Cada pista | 4.2 | DBm | ||||
Diferença em Potência do receptor Entre qualquer Duas pistas (OMAouter) | 4.6 | DB | ||||
Sensibilidade do receptor (OMAouter), Cada pista | SEN | Equação (1) | DBm | 6 | ||
Receptor estressado Sensibilidade (OMAouter), Cada pista | SRS | -4.1 | DBm | 7 | ||
Reflectância do receptor | RR | -26 | DB | |||
LOS Assert | LOSA | -20 | DBm | |||
LOS De-afirmar | LOSD | -12.1 | DBm | |||
Histerese de LOS | LOSH | 0,5 | DB | |||
Condições estressadas Para o Estresse Sensibilidade do receptor (Nota 8) | ||||||
Olho estressado Encerramento para PAM4 (SECQ), Lane sob teste | 3.9 | DB | ||||
SECQ - 10 * log10(Ceq), Lane sob teste | 3.9 | DB | ||||
OMAouter de Cada Aggressor Lane | 0,5 | DBm | ||||
Notas:
1. potência média de lançamento, cada faixa (min) é informativo e não o principal indicador de intensidade do sinal. Um transmissor com potência de lançamento abaixo desse valor não pode ser compatível; no entanto, um valor acima disso não garante a conformidade.
2. Mesmo que o TDECQ <1,4 dB para uma taxa de extinção de ≥ 4,5 dB ou TDECQ <1,3 dB para uma taxa de extinção de <4,5 dB, o OMAouter (min) deve exceder o valor mínimo especificado aqui.
3. Ceq é um coeficiente definido no IEEE Std 802.3-2018, cláusula 121.8.5.3, que representa o aumento do ruído do equalizador de referência.
4. Potência média de recepção, cada faixa (min) é informativa e não o principal indicador de intensidade do sinal. Uma potência recebida abaixo desse valor não pode ser compatível; no entanto, um valor acima disso não garante a conformidade.
5. O receptor deve ser capaz de tolerar, sem danos, a exposição contínua a um sinal de entrada óptico modulado com esse nível de potência em uma faixa. O receptor não tem que operar corretamente nesta potência de entrada.
6. sensibilidade do receptor (OMAouter), cada pista (max) é informativo e é definido para um transmissor com um valor de SECQ até 3,4 dB. Deve atender à Equação (1), que é ilustrada na Figura 4.
RS = max(− 6,6, SECQ− 8,0) dBm
Onde:
RS é a sensibilidade do receptor, e
SECQ é o SECQ do transmissor usado para medir a sensibilidade do receptor.
7. Medido com sinal de teste de conformidade em TP3 para o BER igual a 2x10-4.
8. estas condições de teste são para medir a sensibilidade do receptor estressado. Eles não são acterísticas do receptor.
Figura 4. Ilustração da máscara de sensibilidade do receptor para 400G-LR4
Funções de diagnóstico digital
As seguintes acterísticas de diagnóstico digital são definidas sobre as condições normais de operação, a menos que especificado de outra forma.
Parâmetro | Símbolo | Min | Max | Unidades | Notas |
Monitor de temperatura Erro absoluto | DMI_Temp | -3 | + 3 | DegC | Sobre a faixa de temperatura operacional |
Tensão de alimentação Erro absoluto do monitor | DMI _ VCC | -0,1 | 0,1 | V | Em toda a faixa operacional |
Potência do canal RX Erro absoluto do monitor | DMI_RX_Ch | -2 | 2 | DB | 1 |
Viés do canal Monitor atual | DMI_Ibias_Ch | -10% | 10% | MA | |
Potência do canal TX Erro absoluto do monitor | DMI_TX_Ch | -2 | 2 | DB | 1 |
Notas:
1. Devido à precisão de medição de diferentes fibras de modo único, pode haver uma flutuação adicional de +/-1 dB ou uma precisão total de +/- 3 dB.
Desenho de contorno (mm)
Figura 5. Contorno mecânico
ESD
Este transceptor é especificado como limiar ESD 1kV para pinos de dados de alta velocidade e 2kV para todos os outros pinos de entrada elétrica, testados por MIL-STD-883, Método 3015.4 /JESD22-A114-A (HBM). No entanto, precauções ESD normais ainda são necessárias durante o manuseio deste módulo. Este transceptor é enviado em embalagens de proteção ESD. Deve ser removido da embalagem e manuseado apenas em um ambiente protegido por ESD.
Segurança do laser
Este é um produto laser classe 1 de acordo com EN 60825-1:2014. O produto está em conformidade com 21 CFR 1040.10 e 1040.11, exceto pelos desvios de acordo com o Aviso Laser n ° 50, datado de 24 de junho de 2007.
Cuidado: O uso de controles ou ajustes ou desempenho de procedimentos diferentes dos aqui especificados pode resultar em exposição perigosa à radiação.
Aplicação
● Ethernet 400G
● Interconexão do centro de dados
● Infinib interconecta
● Rede empresarial do Datacenter
| Date | Version | Description | Download | ||
| 2025-03-17 | Datasheet _ 400G QSFP-DD LR4 1310nm 10km_LA-OT-400G-LR4_V2.X | ||||
Inscreva-se agora, você pode obter mais de 100 recursos valiosos e white papers.
Siga-nos também pode obter os produtos mais recentes e informações do setor em nossos e-mails de membros.Aprenda detalhes >>>
Ligue para nós:
Envie-nos um e-mail:
2106B, # 3D, Cloud Park Fase 1, Bantian, Longgang, Shenzhen, 518129, P.R.C.