Este produto é um módulo óptico de 400 Gb/s Quad Small Form Factor Pluggable-double density (QSFP-DD) projetado para aplicações de comunicação óptica de 2km.
Este produto é um módulo óptico de 400 Gb/s Quad Small Form Factor Pluggable-double density (QSFP-DD) projetado para aplicações de comunicação óptica de 2km. O módulo converte 8 canais de dados de entrada elétrica de 50 Gb/s (PAM4) em 4 canais de sinais ópticos CWDM e os multiplexa em um único canal para transmissão óptica de 400 Gb/s. Inversamente, no lado do receptor, o módulo desmultiplexa opticamente uma entrada óptica de 400 Gb/s em 4 canais de sinais ópticos CWDM e os converte em 8 canais de 50 Gb/s (PAM4) dados de saída elétrica. Os comprimentos de onda centrais dos 4 canais CWDM são 1271, 1291, 1311 e 1331 nm como membros da grade de comprimento de onda CWDM definida na ITU-T G.694.2. Ele contém um conector LC duplex para a interface óptica e um conector de 76 pinos para a interface elétrica. Para minimizar a dispersão óptica no sistema de longa distância, a fibra de modo único (SMF) deve ser aplicada neste módulo. O host FEC é necessário para suportar transmissão de fibra de até 2km. O produto foi projetado com fator de forma, conexão óptica/elétrica e interface de diagnóstico digital de acordo com o Acordo de Múltiplas Fontes QSFP-DD (MSA) tipo 2. Ele foi projetado para atender às condições operacionais externas mais adversas, incluindo temperatura, umidade e interferência EMI.
Características
● QSFP-DD compatível com MSA
● 4 faixas CWDM design MUX/DEMUX
● 100G Lambda MSA 400G-FR4 Especificação compatível
● Transmissão de até 2km em fibra de modo único (SMF) com FEC
● Temperatura do caso de operação: 0 a 70oC
● Interface elétrica de 8x53.125 Gb/s (400GAUI-8)
● Taxa de dados 106,25 Gbps (PAM4) por canal.
● Consumo máximo de energia 12W
● Conector LC duplex
● Compatível com RoHS
Diagrama do bloco do transceptor

Figura 1. Diagrama do bloco do transceptor
Atribuição de Pin e Deion
A pinagem elétrica do módulo de QSFP-DD é mostrada na Figura 2 abaixo.

Figura 2. Conector compatível com MSA
Definição de Pin
Pino | Lógica | Símbolo | Deion | Sequência de plugue | Notas |
1 | GND | Chão | 1B | 1 | |
2 | CML-I | Tx2n | Entrada de dados invertida do transmissor | 3B | |
3 | CML-I | Tx2p | Dados não invertidos do transmissor Entrada | 3B | |
4 | GND | Chão | 1B | 1 | |
5 | CML-I | Tx4n | Entrada de dados invertida do transmissor | 3B | |
6 | CML-I | Tx4p | Entrada de dados não invertida do transmissor | 3B | |
7 | GND | Chão | 1B | 1 | |
8 | LVTTL-I | ModSelL | Módulo Selecionar | 3B | |
9 | LVTTL-I | ResetL | Módulo Reset | 3B | |
10 | VccRx | 3.3V Receptor da fonte de alimentação | 2B | 2 | |
11 | LVCMOS- I/O | SCL | Relógio de interface serial de 2 fios | 3B | |
12 | LVCMOS- I/O | SDA | Dados de interface serial de 2 fios | 3B | |
13 | GND | Chão | 1B | 1 | |
14 | CML-O | Rx3p | Saída de dados não invertida do receptor | 3B | |
15 | CML-O | Rx3n | Saída de dados invertida do receptor | 3B | |
16 | GND | Chão | 1B | 1 | |
17 | CML-O | Rx1p | Saída de dados não invertida do receptor | 3B | |
18 | CML-O | Rx1n | Saída de dados invertida do receptor | 3B | |
19 | GND | Chão | 1B | 1 | |
20 | GND | Chão | 1B | 1 | |
21 | CML-O | Rx2n | Saída de dados invertida do receptor | 3B | |
22 | CML-O | Rx2p | Saída de dados não invertida do receptor | 3B | |
23 | GND | Chão | 1B | 1 | |
24 | CML-O | Rx4n | Saída de dados invertida do receptor | 3B | |
25 | CML-O | Rx4p | Saída de dados não invertida do receptor | 3B | |
26 | GND | Chão | 1B | 1 | |
27 | LVTTL-O | ModPrsL | Módulo Presente | 3B | |
28 | LVTTL-O | IntL | Interromper | 3B | |
29 | VccTx | Transmissor de fonte de alimentação 3.3V | 2B | 2 | |
30 | Vcc1 | 3.3V Fonte de alimentação | 2B | 2 | |
31 | LVTTL-I | InitMode | Modo de inicialização; No legado QSFP Aplicações, a almofada InitMode é chamada LPMODE | 3B | |
32 | GND | Chão | 1B | 1 | |
33 | CML-I | Tx3p | Dados não invertidos do transmissor Entrada | 3B | |
34 | CML-I | Tx3n | Entrada de dados invertida do transmissor | 3B | |
35 | GND | Chão | 1B | 1 | |
36 | CML-I | Tx1p | Dados não invertidos do transmissor Entrada | 3B | |
37 | CML-I | Tx1n | Entrada de dados invertida do transmissor | 3B | |
38 | GND | Chão | 1B | 1 | |
39 | GND | Chão | 1A | 1 | |
40 | CML-I | Tx6n | Entrada de dados invertida do transmissor | 3A | |
41 | CML-I | Tx6p | Dados não invertidos do transmissor Entrada | 3A | |
42 | GND | Chão | 1A | 1 | |
43 | CML-I | Tx8n | Entrada de dados invertida do transmissor | 3A | |
44 | CML-I | Tx8p | Dados não invertidos do transmissor Entrada | 3A | |
45 | GND | Chão | 1A | 1 | |
46 | Reservado | Para uso futuro | 3A | 3 | |
47 | VS1 | Módulo fornecedor específico 1 | 3A | 3 | |
48 | VccRx1 | Fonte de alimentação 3.3V | 2A | 2 | |
49 | VS2 | Módulo fornecedor específico 2 | 3A | 3 | |
50 | VS3 | Módulo fornecedor específico 3 | 3A | 3 | |
51 | GND | Chão | 1A | 1 | |
52 | CML-O | Rx7p | Saída de dados não invertida do receptor | 3A | |
53 | CML-O | Rx7n | Saída de dados invertida do receptor | 3A | |
54 | GND | Chão | 1A | 1 | |
55 | CML-O | Rx5p | Saída de dados não invertida do receptor | 3A | |
56 | CML-O | Rx5n | Saída de dados invertida do receptor | 3A | |
57 | GND | Chão | 1A | 1 | |
58 | GND | Chão | 1A | 1 | |
59 | CML-O | Rx6n | Saída de dados invertida do receptor | 3A | |
60 | CML-O | Rx6p | Saída de dados não invertida do receptor | 3A | |
61 | GND | Chão | 1A | 1 | |
62 | CML-O | Rx8n | Saída de dados invertida do receptor | 3A | |
63 | CML-O | Rx8p | Saída de dados não invertida do receptor | 3A | |
64 | GND | Chão | 1A | 1 | |
65 | NC | Sem conexão | 3A | 3 | |
66 | Reservado | Para uso futuro | 3A | 3 | |
67 | VccTx1 | Fonte de alimentação 3.3V | 2A | 2 | |
68 | Vcc2 | Fonte de alimentação 3.3V | 2A | 2 | |
69 | Reservado | Para o uso futuro | 3A | 3 | |
70 | GND | Chão | 1A | 1 | |
71 | CML-I | Tx7p | Entrada de dados não invertida do transmissor | 3A | |
72 | CML-I | Tx7n | Entrada de dados invertida do transmissor | 3A | |
73 | GND | Chão | 1A | 1 | |
74 | CML-I | Tx5p | Entrada de dados não invertida do transmissor | 3A | |
75 | CML-I | Tx5n | Entrada de dados invertida do transmissor | 3A | |
76 | GND | Chão | 1A | 1 |
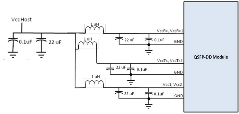
Filtro de fonte de alimentação recomendado
Figura 3. Filtro de fonte de alimentação recomendado
Avaliações máximas absolutas
Deve-se notar que a operação além de quaisquer classificações máximas absolutas individuais pode causar danos permanentes a este módulo.
Condições operacionais recomendadas e requisitos de fornecimento de energia
Parâmetro | Símbolo | Min | Típico | Max | Unidades | Notas |
Caso de funcionamento Temperatura | TOP | 0 | 70 | DegC | ||
Fonte de alimentação Tensão | VCC | 3.135 | 3.3 | 3.465 | V | |
Taxa de dados, cada pista | 26.5625 | GBd | PAM4 | |||
Precisão da taxa de dados | -100 | 100 | Ppm | |||
Relação de erro pré-FEC Bit | 2.4x10-4 | |||||
Razão de erro pós-FEC Bit | 1x10-12 | 1 | ||||
Link Distância | D | 0,002 | 2 | Km | 2 |
Notas:
1. FEC fornecido pelo sistema host.
2. FEC exigido no sistema do anfitrião para apoiar a distância máxima.
Características elétricas
As seguintes acterísticas elétricas são definidas no ambiente operacional recomendado, a menos que especificado de outra forma.
Parâmetro | Teste Ponto | Min | Típico | Max | Unidades | Notas | |||||||
Consumo de energia | 12 | W | |||||||||||
Atual de fornecimento | Icc | 3.63 | Um | ||||||||||
Transmissor (cada pista) | |||||||||||||
Taxa de sinalização, cada pista | TP1 | 26,5625 ± 100 ppm | GBd | ||||||||||
Diferencial Pk-pk Entrada Tensão Tolerância | TP1a | 900 | MVpp | 1 | |||||||||
Diferencial Rescisão Incompatibilidade | TP1 | 10 | % | ||||||||||
Diferencial Entrada Devolução Perda | TP1 | IEEE 802.3- 2015 Equação (83E-5) | DB | ||||||||||
Diferencial para Comum Modo de entrada Perda de retorno | TP1 | IEEE 802.3- 2015 Equação (83E-6) | DB | ||||||||||
Módulo Estressado Teste de entrada | TP1a | Veja IEEE 802.3bs 120E.3.4.1 | 2 | ||||||||||
Único-terminado Tensão Tolerância Faixa (Min) | TP1a | -0,4 a 3,3 | V | ||||||||||
DC Comum Modo de entrada Tensão | TP1 | -350 | 2850 | MV | 3 | ||||||||
Receptor (Cada pista) | |||||||||||||
Taxa de sinalização, Cada pista | TP4 | 26,5625 ± 100 ppm | GBd | ||||||||||
Diferencial Pico a Pico Saída Tensão | TP4 | 900 | MVpp | ||||||||||
AC Comum Modo de saída Tensão, RMS | TP4 | 17,5 | MV | ||||||||||
Diferencial Rescisão Incompatibilidade | TP4 | 10 | % | ||||||||||
Diferencial Saída Perda de retorno | TP4 | IEEE 802.3- 2015 Equação (83E-2) | |||||||||||
Comum a Diferencial Modo de conversão Perda de retorno | TP4 | IEEE 802.3- 2015 Equação (83E-3) | |||||||||||
Tempo de Transição, 20% a 80% | TP4 | 9,5 | Ps | ||||||||||
Perto do fim Simetria do olho Máscara Largura (ESMW) | TP4 | 0,265 | UI | ||||||||||
Perto do fim Altura do olho, Diferencial | TP4 | 70 | MV | ||||||||||
Extremo distante Simetria do olho Máscara Largura (ESMW) | TP4 | 0,2 | UI | ||||||||||
Extremo distante Altura do olho, Diferencial | TP4 | 30 | MV | ||||||||||
Extremo distante Pré-cursor Relação ISI | TP4 | -4.5 | 2.5 | % | |||||||||
Comum Modo de saída Tensão (Vcm) | TP4 | -350 | 2850 | MV | 3 | ||||||||
Notas:
1. Com exceção do IEEE 802.3bs 120E.3.1.2, o padrão é PRBS31Q ou ocioso embaralhado.
2. Atende BER especificado em IEEE 802.3bs 120E.1.1.
3. tensão de modo comum DC gerada pelo host. A especificação inclui efeitos da tensão de deslocamento do solo.
Características ópticas
Parâmetro | Símbolo | Min | Típico | Max | Unidades | Notas | |||||||
Atribuição de comprimento de onda | L0 | 1264.5 | 1271 | 1277,5 | Nm | ||||||||
L1 | 1284.5 | 1291 | 1297,5 | Nm | |||||||||
L2 | 1304.5 | 1311 | 1317,5 | Nm | |||||||||
L3 | 1324.5 | 1331 | 1337,5 | Nm | |||||||||
Transmissor | |||||||||||||
Taxa de dados, cada pista | 53,125 ± 100 ppm | GBd | |||||||||||
Formato de modulação | PAM4 | ||||||||||||
Lado-modo Razão de Supressão | SMSR | 30 | DB | ||||||||||
Média Total Poder de lançamento | PT | 9.3 | DBm | ||||||||||
Lançamento médio Poder, cada pista | PAVG | -3.3 | 3.5 | DBm | 1 | ||||||||
Óptico exterior Modulação Amplitude (OMAouter), Cada pista | POMA | -0,3 | 3.7 | DBm | 2 | ||||||||
Poder de lançamento em OMAouter menos TDECQ, cada pista Para ER ≥ 4.5dB Para ER < 4.5dB | -1.7 -1.6 | DB | |||||||||||
Transmissor e Dispersão Olho Encerramento para PAM4, Cada pista | TDECQ | 3.4 | DB | ||||||||||
TDECQ - 10 * log10(Ceq), Cada pista | 3.4 | DB | 3 | ||||||||||
Relação de extinção | ER | 3.5 | DB | ||||||||||
Diferença em Poder de lançamento Entre qualquer Duas pistas (OMAouter) | 4 | DB | |||||||||||
RIN17.1OMA | RIN | -136 | DB/Hz | ||||||||||
Retorno óptico Perda Tolerância | TOL | 17.1 | DB | ||||||||||
Transmissor Reflectância | RT | -26 | DB | ||||||||||
Transmissor Transição Tempo | 17 | Ps | |||||||||||
Lançamento médio Potência de OFF Transmissor, Cada pista | Poff | -20 | DBm | ||||||||||
Receptor | |||||||||||||
Taxa de dados, Cada pista | 53,125 ± 100 ppm | GBd | |||||||||||
Formato de modulação | PAM4 | ||||||||||||
Limiar de danos, Cada pista | THd | 4.5 | DBm | 4 | |||||||||
Potência média de recepção, Cada pista | -7.3 | 3.5 | DBm | 5 | |||||||||
Receber Poder (OMAouter), Cada pista | 3.7 | DBm | |||||||||||
Diferença em Potência do receptor Entre qualquer Duas pistas (OMAouter) | 4.1 | DB | |||||||||||
Receptor Sensibilidade (OMAouter), Cada pista | SEN | Equação (1) | DBm | 6 | |||||||||
Receptor estressado Sensibilidade (OMAouter), Cada pista | SRS | -2,6 | DBm | 7 | |||||||||
Reflectância do receptor | RR | -26 | DB | ||||||||||
LOS Assert | LOSA | -20 | DBm | ||||||||||
LOS De-afirmar | LOSD | -10,3 | DBm | ||||||||||
Histerese de LOS | LOSH | 0,5 | DB | ||||||||||
Condições estressadas Para o Receptor de Estresse Sensibilidade (Nota 8) | |||||||||||||
Olho estressado Encerramento para PAM4 (SECQ), Lane sob teste | 3.4 | DB | |||||||||||
SECQ - 10 * log10(Ceq), Lane sob teste | 3.4 | DB | |||||||||||
OMAouter de Cada Aggressor Lane | 1.5 | DBm | |||||||||||
Formato de modulação | PAM4 | ||||||||||||
Notas: 1. potência média de lançamento, cada faixa (min) é informativo e não o principal indicador de intensidade do sinal. Um transmissor com potência de lançamento abaixo desse valor não pode ser compatível; no entanto, um valor acima disso não garante a conformidade. 2. Mesmo se o TDECQ <1,4 dB para uma taxa de extinção de ≥ 4,5 dB ou TDECQ <1,3 dB para uma taxa de extinção de <4,5 dB, o OMAouter (min) deve exceder o valor mínimo especificado aqui. 3. Ceq é um coeficiente definido no IEEE Std 802.3-2018, cláusula 121.8.5.3, que representa o aumento do ruído do equalizador de referência. 4. Potência média de recepção, cada faixa (min) é informativa e não o principal indicador de intensidade do sinal. Uma potência recebida abaixo desse valor não pode ser compatível; no entanto, um valor acima disso não garante a conformidade. 5. O receptor deve ser capaz de tolerar, sem danos, a exposição contínua a um sinal óptico de entrada com este nível de potência médio. 6. a sensibilidade do receptor (OMAouter) é informativa e é definida para um transmissor com um valor de SECQ até 3,4 dB. A sensibilidade do receptor deve atender à Equação (1), que é ilustrada na Figura 4. Onde: RS é a sensibilidade do receptor, e SECQ é o SECQ do transmissor usado para medir a sensibilidade do receptor. 7. Medido com sinal de teste de conformidade em TP3 para o BER igual a 2,4x10-4. | |||||||||||||
Funções de diagnóstico digital
As seguintes acterísticas de diagnóstico digital são definidas sobre as condições normais de operação, a menos que especificado de outra forma.
Parâmetro | Símbolo | Min | Max | Unidades | Notas |
Monitor de temperatura Erro absoluto | DMI_Temp | -3 | 3 | DegC | Sobre a faixa de temperatura operacional |
Tensão de alimentação Monitor Erro absoluto | DMI _ VCC | -0,1 | 0,1 | V | Em pleno funcionamento Alcance |
Canal RX Monitor de energia Erro absoluto | DMI_RX_Ch | -2 | 2 | DB | 1 |
Corrente de viés do canal Monitor | DMI_Ibias_Ch | -10% | 10% | MA | |
Canal TX Monitor de energia Erro absoluto | DMI_TX_Ch | -2 | 2 | DB | 1 |
Notas:
1. Devido à precisão de medição de diferentes fibras de modo único, pode haver uma flutuação adicional de +/-1 dB ou uma precisão total de +/- 3 dB.
Desenho de contorno (mm)

Aplicações
● Interconexão do centro de dados
● Ethernet 400G
● Interconexões Infiniband
● Rede empresarial
| Date | Version | Description | Download | ||
| 2025-03-17 | Datasheet _ 400G QSFP-DD FR4 1310nm 2km _ LA-OT-400G-FR4 | ||||
Inscreva-se agora, você pode obter mais de 100 recursos valiosos e white papers.
Siga-nos também pode obter os produtos mais recentes e informações do setor em nossos e-mails de membros.Aprenda detalhes >>>
Ligue para nós:
Envie-nos um e-mail:
2106B, # 3D, Cloud Park Fase 1, Bantian, Longgang, Shenzhen, 518129, P.R.C.