2x100GBASE-SR4 O transceptor QSFPDD é um tipo de transceptor paralelo, o pacote VCSEL e PIN array é a técnica chave, através do sistema I2C pode entrar em contato com o módulo. É um Pluggable de Oito Canais.
2x100GBASE-SR4 O transceptor QSFPDD é um tipo de transceptor paralelo, o pacote VCSEL e PIN array é a técnica chave, através do sistema I2C pode entrar em contato com o módulo. É uma densidade dupla QSFP de oito canais, plugável, paralela, fibra óptica para aplicações Ethernet de 2x100 Gigabit, módulo de alto desempenho para aplicações de interconexão e comunicação de dados multi-pista de curto alcance. Ele integra oito faixas de dados em cada direção com largura de banda de 8x25.78125Gbps. Cada pista pode operar a 25,78125 Gbps até 70 m usando fibra OM3 ou 100 m usando fibra OM4. Esses módulos são projetados para operar em sistemas de fibra multimodo usando um comprimento de onda nominal de 850nm. A interface elétrica usa um conector do tipo borda de contato 76. A interface óptica usa um conector MTP (MPO) de 24 fibras. Este módulo incorpora circuito comprovado e tecnologia VCSEL para fornecer longa vida confiável, alto desempenho e serviço consistente.

Figura 1. Módulo diagrama de bloco
Características
● 8 canais full-duplex módulos transceptor
● Taxa de transmissão de dados até 26Gbps por canal
● 8 canais 850nm VCSEL matriz
● 8 canais PIN matriz detector de fotos
● Circuitos CDR internos em ambos os canais do receptor e do transmissor
● Suporte CDR bypass
● Baixo consumo de energia <4W
● Fator de forma QSFP DD Pluggable quente
● Comprimento máximo do link de 70m em fibra multimodo OM3 (MMF) e 100m em OM4 MMF
● Receptáculo do conector MPO24
● Temperatura do caso de operação 0 °C a 70 °C
● Tensão de alimentação 3.3V
Pin Deion




Figura 2. Detalhes elétricos Pin-out
Pino ModSelL
O ModSelL é um sinal de entrada que deve ser puxado para Vcc no módulo QSFP-DD. Quando mantido baixo pelo host, o módulo responde a comandos de comunicação serial de 2 fios. O ModSelL permite o uso de vários módulos de QSFP-DD em um único barramento de interface de 2 fios. Quando ModSelL é “Alto”, o módulo não deve responder ou reconhecer qualquer comunicação de interface de 2 fios do host.
A fim de evitar conflitos, o sistema host não deve tentar comunicações de interface de 2 fios dentro do tempo de desafirmação ModSelL após a escritura de quaisquer módulos de QSFP-DD. Da mesma forma, o host deve esperar pelo menos pelo período do tempo de afirmação ModSelL antes de se comunicar com o módulo recém-criado. Os períodos de afirmação e desafirmação de diferentes módulos podem se sobrepor desde que os requisitos de tempo acima sejam atendidos.
Pino ResetL
O sinal ResetL deve ser puxado para Vcc no módulo. Um nível baixo no sinal ResetL por mais tempo do que o comprimento de pulso mínimo (t_Reset_init) (consulte a Tabela 13) inicia uma redefinição completa do módulo, retornando todas as configurações do módulo do usuário ao seu estado padrão.
Pin InitMode
InitMode é um sinal de entrada. O sinal InitMode deve ser puxado até Vcc no módulo QSFP-DD. O sinal InitMode permite que o host defina se o módulo de QSFP-DD será inicializado sob controle de software host (InitMode afirmado High) ou controle de hardware de módulo (InitMode deasserted Low). Sob o controle de software host, o módulo deve permanecer no modo de baixa potência até que o software permita a transição para o modo de alta potência, conforme definido na seção 7.5. Sob controle de hardware (InitMode desafirmado Low), o módulo pode imediatamente fazer a transição para o Modo de Alta Potência após a interface de gerenciamento ser inicializada. O host não deve alterar o estado deste sinal enquanto o módulo estiver presente. Em aplicativos QSFP legados, este sinal é denominado LPMode. Veja SFF-8679 para o sinal deion.
Pino ModPrsL
ModPrsL deve ser puxado até Vcc Host na placa host e aterrado no módulo. O ModPrsL é declarado “Baixo” quando o módulo é ed e desafirmado “Alto” quando o módulo está fisicamente ausente do conector host.
Pino IntL
IntL é um sinal de saída. O sinal IntL é uma saída de coletor aberto e deve ser puxado para Vcc Host na placa de host. Quando o sinal IntL é declarado Baixo, ele indica uma mudança no estado do módulo, uma possível falha operacional do módulo ou um status crítico para o sistema host. O host identifica a origem da interrupção usando a interface serial de 2 fios. O sinal IntL é desafirmado “Alto” depois que todos os sinalizadores de interrupção definidos são lidos.
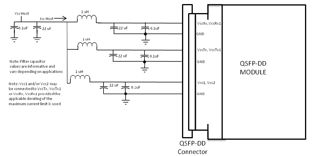
Filtragem da fonte de alimentação
A placa do anfitrião deve usar a filtragem da fonte de alimentação mostrada na Figura3.

Figura 3. Filtragem da fonte de alimentação da placa do anfitrião
Faixas de interface óptica e atribuição
A porta de interface óptica é um conector MPO24 macho.

Figura 4. receptáculo óptico e orientação do canal
INTERFACE DE MONITORAMENTO DIAGNÓSTICO (OPCIONAL)
A função de monitoramento de diagnósticos digitais está disponível em todos os produtos QSFP DD. Uma interface serial de 2 fios fornece ao usuário o contato com o módulo. A estrutura da memória é mostrada na Figura 5. o espaço de memória é organizado em uma página única, inferior, espaço de endereço de 128 bytes e múltiplas páginas de espaço de endereço superior. Essa estrutura permite acesso oportuno a endereços na página inferior, por exemplo, Interromper Bandeiras e Monitores. Menos entradas críticas de tempo, por exemplo, informações de ID serial e configurações de limite, estão disponíveis com a função Selecionar página. A estrutura também fornece expansão de endereço adicionando páginas superiores adicionais conforme necessário. O endereço de interface usado é A0xh e é usado principalmente para dados críticos de tempo, como manipulação de interrupção, a fim de permitir uma leitura única para todos os dados relacionados a uma situação de interrupção. Após uma interrupção, IntL, foi afirmada, o host pode ler o campo de bandeira para determinar o canal afetado e o tipo de bandeira.

Figura 5. Mapa de memória QSFP DD

Figura 6. Mapa de memória baixa

Figura 7. Página 00 Mapa de Memória

Temporização para funções de controle suave e status

Figura 9. Especificações de temporização
Desenho de contorno (mm)

Avaliações máximas absolutas
Parâmetro | Símbolo | Min | Max | Unidade |
Tensão de alimentação | Vcc | -0,3 | 3.6 | V |
Tensão de entrada | Vin | -0,3 | Vcc + 0,3 | V |
Temperatura de armazenamento | Tst | -20 | 85 | °C |
Temperatura de funcionamento do caso | Top | 0 | 70 | °C |
Umidade (não-condensando) | Rh | 5 | 95 | % |
Condições operacionais recomendadas
Parâmetro | Símbolo | Min | Típico | Max | Unidade |
Fornecimento Tensão | Vcc | 3.13 | 3.3 | 3,47 | V |
Operando Capa Temperatura | Tca | 0 | 70 | °C | |
Taxa de dados Per Lane | Fd | 25.78125 | Gbps | ||
Umidade | Rh | 5 | 85 | % | |
Dissipação de energia | Pm | 4 | W |
Especificações elétricas
Parâmetro | Símbolo | Min | Típico | Max | Unidade |
Diferencial Entrada Impedância | Zin | 90 | 100 | 110 | Ohm |
Diferencial Saída Impedância | Zout | 90 | 100 | 110 | Ohm |
Diferencial Tensão de entrada Amplitude AAmplitude | ΔVin | 300 | 1100 | MVp-p | |
Saída diferencial Amplitude de tensão | ΔVout | 500 | 800 | MVp-p | |
Desvio | Sw | 300 | Ps | ||
Taxa de erro de bits | BER | 5E-5 | |||
Lógica de entrada Nível alto | VIH | 2.0 | VCC | V | |
Lógica de entrada Nível baixo | VIL | 0 | 0,8 | V | |
Lógica de saída Nível alto | VOH | VCC-0.5 | VCC | V | |
Lógica de saída Nível baixo | VOL | 0 | 0,4 | V |
Nota:
1. BER = 5E-5; PRBS 2 ^ 31-1@25.78125Gbps. Pré-FEC
2. A amplitude da tensão de entrada diferencial é medida entre TxnP e TxnN.
3. A amplitude da tensão de saída diferencial é medida entre RxnP e RxnN.
Características ópticas
Tabela 3-Características ópticas
Parâmetro | Símbolo | Min | Típico | Max | Unidade | Notas | |
Transmissor | |||||||
Comprimento de onda do centro | Λc | 840 | 850 | 860 | Nm | - | |
Largura espectral RMS | ∆Λ | - | - | 0,6 | Nm | - | |
Potência média de lançamento, Cada pista | Pia | -8,4 | - | 2.4 | DBm | - | |
Modulação óptica Amplitude (OMA), cada faixa | OMA | -6,4 | 3 | DBm | - | ||
Transmissor e Olho de dispersão Fechamento (TDEC), cada pista | TDEC | 4.3 | DB | ||||
Relação de extinção | ER | 3 | - | - | DB | - | |
Lançamento médio Poder de OFF Transmissor, Cada pista | -30 | DB | - | ||||
Máscara de olho Coordenadas: X1, X2, X3, Y1, Y2, Y3 | VALORES DE ESPECIFICAÇÃO {0,3, 0,38, 0,45, 0,35, 0,41,0,5} | Relação de acerto = 5x10-5 | |||||
Receptor | |||||||
Comprimento de onda do centro | Λc | 840 | 850 | 860 | Nm | - | |
Receptor estressado Sensibilidade em OMA | -5.2 | DBm | 1 | ||||
Média máxima Poder no receptor, Cada pista Entrada, cada pista | 2.4 | DBm | - | ||||
Média mínima Poder no receptor, Cada pista | -10,3 | DBm | |||||
Reflectância do receptor | -12 | DB | - | ||||
LOS Assert | -30 | DBm | - | ||||
LOS De-Assert - OMA | -7,5 | DBm | - | ||||
Histerese de LOS | 0,5 | DB | - | ||||
Nota:
1. Medido com sinal de teste de conformidade em TP3 para BER = 5E-5 por-FEC
Aplicações
● IEEE 802.3bm 100GBASE SR4
| Date | Version | Description | Download | ||
| 2025-03-17 | 2x100GBASE-SR4 QSFPDD | ||||
Inscreva-se agora, você pode obter mais de 100 recursos valiosos e white papers.
Siga-nos também pode obter os produtos mais recentes e informações do setor em nossos e-mails de membros.Aprenda detalhes >>>
Ligue para nós:
Envie-nos um e-mail:
2106B, # 3D, Cloud Park Fase 1, Bantian, Longgang, Shenzhen, 518129, P.R.C.