Taxa de dados de até 28Gbps por canal, 8 transmissores e receptores de canais duplex, matriz VCSEL integrada de 850nm e matriz PD, compatível com interface óptica de receptáculo de conector MPO24 único.
Características
● Taxa de dados de até 28Gbps por canal
● Transmissores e receptores de 8 canais duplex
● Matriz VCSEL integrada de 850nm e matriz PD
● Conector único MPO24 receptáculo de interface óptica compatível
● Única fonte de alimentação 3.3V
● Função DDM implementada
● Fator de forma de QSFP-DD quente-plugável
● Comprimento máximo do link de 100m em fibra MPO OM4 (MMF) de 24 núcleos
● Dissipação de energia:<4.5W
● Segurança a laser de classe 1 internacional certificada
● Faixa de temperatura operacional: 0 °C ~ 70
● Compatível com ROHS10
Avaliações máximas absolutas
Parâmetros | Símbolo | Unidade | Min | Max |
Faixa de temperatura de armazenamento | Ts | Ct | -40 | 85 |
Humidade relativa | RH | % | 5 | 95 |
Tensão de alimentação | Vcc | V | -0,5 | + 3.6 |
Condições operacionais recomendadas
Parâmetros | Símbolo | Unidade | Min. | Típico | Max |
Caso de funcionamento Faixa de temperatura | Tc | Ct | 0 | 70 | |
Tensão de alimentação | Vcc | V | 3.14 | 3.3 | 3.46 |
Taxa de bits NRZ (por canal) | BR | Gbps | 25,78 |
Características ópticas
Parâmetros | Símbolo | Unidade | Min. | Típico | Max | Nota | |
Transmissor (por faixa) | |||||||
Velocidade de sinalização por faixa | Gbps | 25.78125 | NRZ | ||||
Comprimento de onda do centro | Nm | 840 | 850 | 860 | |||
Largura espectral RMS | SW | Nm | 0,6 | ||||
Lançamento médio Potência por faixa | TXPx | DBm | -8,4 | 2.4 | |||
Tx OMA por faixa | TxOMA | DBm | -6,4 | 3 | |||
Diferença no poder Entre Quaisquer duas pistas (OMA) | DPx | DBm | 4 | ||||
Potência média de lançamento De transmissor desligado Por faixa | DBm | -30 | |||||
Transmissor e Dispersão olho Fechamento por faixa | TDEC | DB | 4.3 | ||||
Poder de lançamento em OMA menos TDEC | DBm | -7.3 | |||||
Extinção óptica Relação | ER | DB | 2 | ||||
Retorno óptico Perda Tolerância | ORL | DB | 12 | ||||
Fluxo circundado | FLX | DBm | > 86% em 19um | ||||
<30% em 4.5um | |||||||
Ruído de intensidade relativa | RIN | DB/Hz | RIN | ||||
Receptor (por faixa) | |||||||
Velocidade de sinalização por faixa | Gbps | 25.78125 | NRZ | ||||
Comprimento de onda do centro | Nm | 840 | 860 | ||||
Limiar de danos | DT | DBm | 3.4 | ||||
Receber média Potência por faixa | RXPx | DBm | -10,3 | 2.4 | |||
Potência do receptor (OMA) por faixa | RxOMA | DBm | 3 | ||||
Reflectância do receptor | Rfl | DB | -12 | ||||
Fechamento vertical do olho Penalidade, por pista | DB | 1.9 | |||||
Receber estressado Sensibilidade (OMA) por faixa | SRS | DBm | -5.2 | ||||
Sensibilidade (OMA) por faixa | S | DBm | -10,3 | ||||
LOS De-Assert | LOSD | DBm | -12 | ||||
LOS Assert | LOSA | DBm | -30 | ||||
Histerese de LOS | DBm | 0,5 | |||||
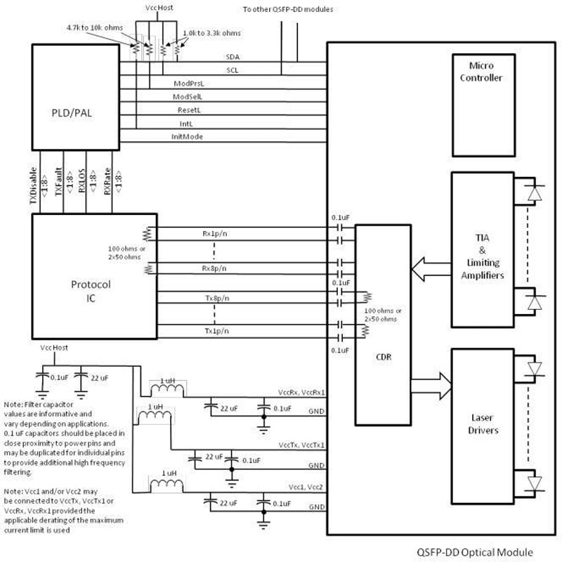
Diagrama Princípio

Figura 1. Diagrama do Princípio do Módulo
Definição de portos elétricos
Parâmetros | Símbolo | Unidade | Min. | Típico | Max | Nota |
Tensão de alimentação | VCC VCC3.3-Tx VCC3.3-Rx | V | 3.14 | 3.3 | 3.46 | |
Atual de fornecimento | Icc | MA | 1300 | |||
Potência Consumptoina | PC | W | 4.5 | |||
Transceptor Power-on Inicializar o Tempo | Ms | 2000 | ||||
Transmissor | ||||||
Única entrada termina Tolerância de VoltageTolerância | VinT | V | -0,3 | 4.0 | ||
Dados Diferenciais Balanço de entrada | VIN | MVp-p | 300 | 1200 | ||
AC Comum Modo de saída Tensão (RMS) | MV | 15 | ||||
Entrada diferencial Impedância | Ω | 90 | 100 | 110 | ||
Receptor | ||||||
Única entrada termina Tolerância de VoltageTolerância | VoutR | V | 0,2 | |||
Dados Diferenciais Balanço de saída | Vout,PP | MVp-p | 350 | 850 | ||
Modo Comum AC Tensão de saída (RMS) | MV | 7.5 | ||||
Saída Diferencial Impedância | Ω | 90 | 100 | 110 | ||
Comunicação IIC | ||||||
Frequência do relógio IIC | KHZ | 100 | 400 | |||
Relógio de alongamento | Nós | 500 | ||||
Tempo de retenção de dados | Ns | 300 | ||||
Pin Deion

Figura 2. Detalhes elétricos Pin-out
Pino | Lógica | Símbolo | Deion | Nota |
1 | GND | Chão | 1 | |
2 | CML-I | Tx2n | TransmitterInvertedDataInput | |
3 | CML-I | Tx2p | TransmitterNon-InvertedDataInput | |
4 | GND | Chão | 1 | |
5 | CML-I | Tx4n | TransmitterInvertedDataInput | |
6 | CML-I | Tx4p | TransmitterNon-InvertedDataInput | |
7 | GND | Chão | 1 | |
8 | LVTTL-I | ModSelL | ModuleSelect | |
9 | LVTTL-I | ResetL | ModuleReset | |
10 | VccRx | 3.3 VPowerSupplyReceptor | 2 | |
11 | LVCOMS-I/O | SCL | 2-WireSerialInterfaceClock | |
12 | LVCOMS-I/O | SDA | 2-WireSerialInterfaceData | |
13 | GND | Chão | 1 | |
14 | CML-0 | Rx3p | ReceiverNon-InvertedDataOutput | |
15 | CML-0 | Rx3n | ReceiverInvertedDataOutput | |
16 | GND | Chão | 1 | |
17 | CML-0 | Rx1p | ReceiverNon-InvertedDataOutput | |
18 | CML-0 | Rx1n | ReceiverInvertedDataOutput | |
19 | GND | Chão | 1 | |
20 | GND | Chão | 1 | |
21 | CML-0 | Rx2n | ReceiverInvertedDataOutput | |
22 | CML-0 | Rx2p | ReceiverNon-InvertedDataOutput | |
23 | GND | Chão | 1 | |
24 | CML-0 | Rx4n | ReceiverInvertedDataOutput | |
25 | CML-0 | Rx4p | ReceiverNon-InvertedDataOutput | |
26 | GND | Chão | 1 | |
27 | LVTTL-0 | ModPrsL | ModulePresent | |
28 | LVTTL-0 | IntL | Interromper | |
29 | VccTx | 3.3 VPowerSupplytransmissor | 2 | |
30 | Vcc1 | 3.3VPowerSupply | 2 | |
31 | LVTTL-I | InitMode | Modo de inicialização; Em legacyQSFPapplications,theIntiModepadisc AlledLPMode | |
32 | GND | Chão | 1 | |
33 | CML-I | Tx3p | TransmitterNon-InvertedDataInput | |
34 | CML-I | Tx3n | TransmitterInvertedDataInput | |
35 | GND | Chão | 1 | |
36 | CML-I | Tx1p | TransmitterNon-InvertedDataInput | |
37 | CML-I | Tx1n | TransmitterInvertedDataInput | |
38 | GND | Chão | 1 | |
39 | GND | Chão | 1 | |
40 | CML-I | Tx6n | TransmitterInvertedDataInput | |
41 | CML-I | Tx6p | TransmitterNon-InvertedDataInput | |
42 | GND | Chão | 1 | |
43 | CML-I | Tx8n | TransmitterInvertedDataInput | |
44 | CML-I | Tx8p | TransmitterNon-InvertedDataInput | |
45 | GND | Chão | 1 | |
46 | Reservado | Forfutureuse | 3 | |
47 | VS1 | ModuleVendorSpecific1 | 3 | |
48 | VccRx1 | 3.3 VPowerSupplyReceptor | 2 | |
49 | VS2 | ModuleVendorSpecific2 | 3 | |
50 | VS3 | ModuleVendorSpecific3 | 3 | |
51 | GND | Chão | 1 | |
52 | CML-0 | Rx7p | ReceiverNon-InvertedDataOutput | |
53 | CML-0 | Rx7n | ReceiverInvertedDataOutput | |
54 | GND | Chão | 1 | |
55 | CML-0 | Rx5p | ReceiverNon-InvertedDataOutput | |
56 | CML-0 | Rx5n | ReceiverInvertedDataOutput | |
57 | GND | Chão | 1 | |
58 | GND | Chão | 1 | |
59 | CML-0 | Rx6n | ReceiverInvertedDataOutput | |
60 | CML-0 | Rx6p | ReceiverNon-InvertedDataOutput | |
61 | GND | Chão | 1 | |
62 | CML-0 | Rx8n | ReceiverInvertedDataOutput | |
63 | CML-0 | Rx8p | ReceiverNon-InvertedDataOutput | |
64 | GND | Chão | 1 | |
65 | NC | NotConnect | 3 | |
66 | Reservado | Forfutureuse | 3 | |
67 | VccTx1 | 3.3 VPowerSupplytransmissor | 2 | |
68 | Vcc2 | 3.3VPowerSupply | 2 | |
70 | GND | Chão | 1 | |
71 | CML-I | Tx7p | TransmitterNon-InvertedDataInput | |
72 | CML-I | Tx7n | TransmitterInvertedDataInput | |
73 | GND | Chão | 1 | |
74 | CML-I | Tx5p | TransmitterNon-InvertedDataInput | |
75 | CML-I | Tx5n | TransmitterInvertedDataInput | |
76 | GND | Chão | 1 |
Notas:
1.QSFP-DD usa um terreno comum (GND) para todos os sinais e fornecimento (energia). Todos os comuns dentro do módulo de QSFP-DD e todas as tensões do módulo são referenciados a esse potencial, a menos que indicado de outra forma. Teses conectadas diretamente à placa host sinalizam plano de terra comum.
2.VccRx, VccRx1, Vcc1, Vcc2, VccTx e VccTx1 devem ser aplicados simultaneamente. Os requisitos definidos para o lado do host do conector de borda do cartão host estão listados na Tabela 4. VccRx, VccRx1, Vcc1, Vcc2, VccTx e VccTx1 podem ser conectados internamente dentro do módulo em qualquer combinação. Os pinos Vcc do conector são avaliados para uma corrente máxima de 1000mA.
3. Todos os pinos específicos, reservados e sem conexão do fornecedor podem ser terminados com 50 ohms para aterrar no host. A almofada 65 (sem conexão) deve ser deixada desconectada dentro do módulo. As almofadas Específicas e Reservadas do Fornecedor devem ter uma impedância para GND maior que 10 kOhms e menor que 100pF.
Mapa de Memória de Diagnóstico Digital

Figura 3 Mapa de Memória de Diagnóstico Digital
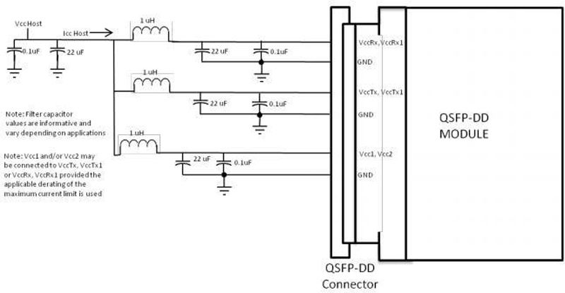
Filtragem da fonte de alimentação da placa do anfitrião
Qualquer queda de tensão em uma rede de filtro no host é contada com a especificação de precisão do ponto de ajuste DC do host. Indutores com resistência DC inferior a 0,1 Ohm devem ser usados para manter a tensão necessária no conector do cartão de borda do host. A figura é a interface de transceptor/host sugerida.

Figura 4 Filtragem recomendada da fonte de alimentação da placa do anfitrião
Desenho de contorno (mm)

Figura 5 Contorno do pacote

Figura 6 MPO Pinout Diagrama e Deion
Recomendação de layout PCB do anfitrião

Figura 7 PCB Layout Recomendação
Aplicações
● Ethernet 200GBASE-SR8
● Ethernet 2 × 100GBASE-SR4
● Conexões Switch & Router
● Centros de dados
● Outros requisitos de interconexão 200G
| Date | Version | Description | Download | ||
| 2025-03-17 | Datasheet _ 200G QSFP-DD SR8 850nm 100m _ LA-OT-200G-SR8_V2.X | ||||
Inscreva-se agora, você pode obter mais de 100 recursos valiosos e white papers.
Siga-nos também pode obter os produtos mais recentes e informações do setor em nossos e-mails de membros.Aprenda detalhes >>>
Ligue para nós:
Envie-nos um e-mail:
2106B, # 3D, Cloud Park Fase 1, Bantian, Longgang, Shenzhen, 518129, P.R.C.