Os transceptores SFP -10GBASE-T Copper Small Form Pluggable (SFP) são baseados no SFP Multi Source Agreement (MSA).
Os transceptores SFP -10GBASE-T Copper Small Form Pluggable (SFP) são baseados no SFP Multi Source Agreement (MSA). Eles são compatíveis com os padrões 10Gbase-T / 5Gbase-T / 2.5Gbase-T / 1000base-T, conforme especificado no IEEE Std 802.3. SFP -10GBASE-T usa o pino RX_LOS do SFP (deve ser puxado para cima no host) para indicação de link. Se puxar para cima ou abrir o pino TX_DISABLE do SFP, PHY IC seja redefinido.
Características
● Suporte 10Gbase-T / 5Gbase-T / 2.5Gbase-T / 1000base-T
● Pegada SFP quente-plugável
● Montagem do conector RJ-45 compacto
● Compatível com RoHS e sem chumbo
● Única fonte de alimentação 3.3V
● 10 Gigabit Ethernet sobre o cabo Cat 6a
● Temperatura de funcionamento ambiente: 0 °C a 65 °C
Comprimento do cabo
Padrão | Cabo | Alcance | Porto de Anfitrião |
10Gbase-T | CAT6A | 30m | SFI |
5Gbase-T/2.5Gbase-t | CAT5E | 50m | 5GBase-R/2.5GBase-X |
1000base-T | CAT5E | 100m | 1000base-FX |
Pino | Símbolo | Nome/Descrição | Ref. |
1 | VEET | Terra do transmissor (comum com aterramento do receptor) | 1 |
2 | FALHA | Falha do transmissor. Não suportado. | |
3 | TDIS | Desativar transmissor. Saída de laser desativada em alta ou aberta. | 2 |
4 | MOD_DEF (2) | Definição do módulo 2. Linha de dados para ID serial. | 3 |
5 | MOD_DEF (1) | Definição do módulo 1. linha de relógio para ID Serial. | 3 |
6 | MOD_DEF (0) | Definição do módulo 0. Aterrado dentro do módulo. | 3 |
7 | Taxa Selecionar | Não é necessária conexão | |
8 | LOS | Alto indica nenhum link. Baixo indica vinculado. | 4 |
9 | VEER | Receptor de terra (comum com terra do transmissor) | 1 |
10 | VEER | Receptor de terra (comum com terra do transmissor) | 1 |
11 | VEER | Receptor de terra (comum com terra do transmissor) | 1 |
12 | RD- | DADOS invertidos do receptor para fora. AC Acoplado | |
13 | RD | Receptor Não-invertido DADOS para fora. AC Acoplado | |
14 | VEER | Receptor de terra (comum com terra do transmissor) | 1 |
15 | VCCR | Fonte de alimentação do receptor | |
16 | VCCT | Fonte de alimentação do transmissor | |
17 | VEET | Terra do transmissor (comum com aterramento do receptor) | 1 |
18 | TD | DADOS não invertidos do transmissor em. AC Acoplado. | |
19 | TD- | DADOS invertidos do transmissor em. AC Acoplado. | |
20 | VEET | Terra do transmissor (comum com aterramento do receptor) | 1 |
SFP para hospedar o conector Pin Out
Notas:
1. o aterramento do circuito está conectado ao solo do chassi
2. PHY desativado em TDIS > 2.0V ou aberto, habilitado em TDIS < 0.8V
3. Deve ser puxado para cima com 4.7k - 10k Ohms na placa do anfitrião a uma tensão entre 2.0 V e 3.6 V. MOD_DEF (0) puxa a linha baixa para indicar que o módulo está conectado.
4. LVTTL compatível com uma tensão máxima de 2,5 V.
Figura 1. Diagrama dos números e nomes dos pinos do bloco do conector da placa do anfitrião
+ 3.3V Volt Interface de Energia Elétrica
O SFP +-10GBASE-T tem uma faixa de tensão de entrada de 3,3 V +/- 5%. A tensão máxima de 4V não é permitida para operação contínua.
+ 3.3 Volt Interface de Energia Elétrica | ||||||
Parâmetro | Símbolo | Min | Tipo | Max | Unidade | Notas/Condições |
Atual de fornecimento | É | 700 | 900 | MA | Potência máxima de 3,0 W Gama completa de tensão E temperatura. Veja nota de cautela abaixo | |
Tensão de entrada | Vcc | 3.13 | 3.3 | 3,47 | V | Referenciado ao GND |
Tensão máxima | Vmax | 4 | V | |||
Corrente de impulso | Ispara | TBD | MA | Plugue quente acima do estado estacionário Atual. Veja nota de cautela Abaixo | ||
Cuidado: O consumo de energia e a corrente de surto são maiores do que os valores especificados no SFP MSA
Sinais de baixa velocidade
MOD_DEF (1) (SCL) e MOD_DEF (2) (SDA), são sinais CMOS de dreno aberto (consulte a seção VII, "Serial Communication Protocol"). Tanto MOD_DEF (1) quanto MOD_DEF (2) devem ser puxados para host_Vcc
Sinais de baixa velocidade, características eletrônicas | |||||
Parâmetro | Símbolo | Min | Max | Unidade | Notas/Condições |
Saída SFP BAIXA | VOL | 0 | 0,5 | V | 4,7 k a 10k pull-up para host_Vcc, Medido no lado do host do conector |
Saída SFP ALTA | VOH | Host _ Vcc-0,5 | Host_Vcc + 0,3 | V | 4,7 k a 10k pull-up para host_Vcc, Medido no lado do host do conector |
Entrada SFP BAIXA | VIL | 0 | 0,8 | V | 4,7 k a 10k pull-up para Vcc, Medido no lado SFP do conector |
Entrada SFP ALTA | VIH | 2 | Vcc + 0,3 | V | 4,7 k a 10k pull-up para Vcc, Medido no lado SFP do conector |
Interface Elétrica de Alta Velocidade
Todos os sinais de alta velocidade são acoplados internamente.
Interface elétrica de alta velocidade, linha de transmissão-SFP | ||||||||||||
Parâmetro | Símbolo | Min | Typ | Max | Unidade | Notas/Condições | ||||||
Linha frequência | FL | 125 | MHz | Codificação de 5 níveis, por IEEE 802.3 | ||||||||
Tx Saída Impedância | Zout,TX | 100 | Ohm | Diferencial, para todos Frequências entre 1MHz e 125MHz | ||||||||
Rx Entrada Impedância | Zin,RX | 100 | Ohm | Diferencial, para todos Frequências entre 1MHz e 125MHz | ||||||||
Interface Elétrica de Alta Velocidade, Host-SFP | ||||||||||||
Parâmetro | Símbolo | Min | Typ | Max | Unidade | Notas/Condições | ||||||
Entrada de dados terminada única Balanço | Vinsing | 250 | 1200 | MV | Único terminado | |||||||
Saída de dados terminada única Balanço | Votação | 350 | 800 | MV | Único terminado | |||||||
Tempo de ascensão/queda | Tr, Tf | 175 | Psec | 20%-80% | ||||||||
Impedância de entrada Tx | Zin | 50 | Ohm | Único terminado | ||||||||
Impedância de Saída Rx | Zout | 50 | Ohm | Único terminado | ||||||||
Especificações gerais
Geral | ||||||
Parâmetro | Símbolo | Min | Typ | Max | Unidade | Notas/Condições |
Taxa de dados | BR | 1 | 10 | Gb/sec | IEEE 802.3 compatível. Veja notas 1,2 abaixo | |
Notas:
1. tolerância do relógio é/- 50 ppm
INFORMAÇÃO EEPROM (A0)
Addr | Tamanho do campo (Bytes) | Nome do campo | HEX | Descrição |
0 | 1 | Identificador | 03 | SFP |
1 | 1 | Ext. Identificador | 04 | MOD4 |
2 | 1 | Conector | 07 | LC |
3-10 | 8 | Transceptor | 10 00 00 00 00 00 00 00 00 | Código do Transmissor |
11 | 1 | Codificação | 06 | 64B66B |
12 | 1 | BR, nominal | 67 | 1000M bps |
13 | 1 | Reservado | 00 | |
14 | 1 | Comprimento (9um)-km | 00 | |
15 | 1 | Comprimento (9um) | 00 | |
16 | 1 | Comprimento (50um) | 08 | |
17 | 1 | Comprimento (62.5um) | 02 | |
18 | 1 | Comprimento (cobre) | 00 | |
19 | 1 | Reservado | 00 | |
20-35 | 16 | Nome do fornecedor | 57 49 4E 54 4F 50 20 20 20 20 20 20 20 20 20 20 20 | |
36 | 1 | Reservado | 00 | |
37-39 | 3 | Fornecedor OUI | 00 00 00 00 | |
40-55 | 16 | Fornecedor PN | Xx xx xx xx xx xx xx xx xx xx x xx Xx xx xx xx xx xx xx xx xx xx x xx | ASC II |
56-59 | 4 | Rev. do fornecedor | 31 2E 30 20 | V1.0 |
60-61 | 2 | Comprimento de onda | 03 52 | 850nm |
62 | 1 | Reservado | 00 | |
63 | 1 | BASE CC | XX | Verifique a soma do byte 0 ~ 62 |
64-65 | 2 | Opções | 00 1A | LOS, TX_DISABLE, TX_FAULT |
66 | 1 | BR, max | 00 | |
67 | 1 | BR, min | 00 | |
68-83 | 16 | Fornecedor SN | 00 00 00 00 00 00 00 00 00 00 00 00 00 00 00 00 00 00 | Não especificado |
84-91 | 8 | Código de data do fornecedor | XX XX XX 20 | Ano, mês, dia |
92-94 | 3 | Reservado | 00 | |
95 | 1 | CC_EXT | XX | Verifique a soma do byte 64 ~ 94 |
96-255 | 160 | Fornecedor específico |
EEPROM INFORMAÇÃO (A2) Opcional

Especificações ambientais
A detecção automática de crossover está habilitada. Cabo crossover externo não é necessário
Especificações ambientais | ||||||
Parâmetro | Símbolo | Min | Typ | Max | Unidade | Notas/Condições |
Temperatura de funcionamento | Top | 0 | 65 | °C | Caso temperatura | |
Temperatura de armazenamento | Tsto | -40 | 85 | °C | Temperatura ambiente | |
Protocolo de comunicação serial
Temporização de ônibus serial, requisitos | ||||||
Parâmetro | Símbolo | Min | Typ | Max | Unidade | Notas/Condições |
I 2C Taxa de relógio | 0 | 200.000 | Hz | |||
Todos os SFPs suportam o protocolo de comunicação serial de 2 fios descrito no SFP MSA. Esses SFPs usam um MCU, podem ser acessados com o endereço de A0h.
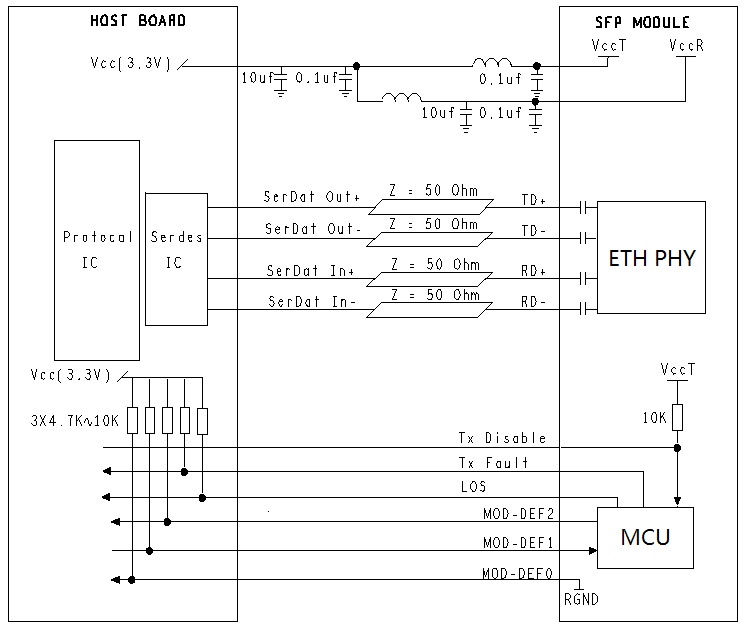
Circuito de aplicação recomendado

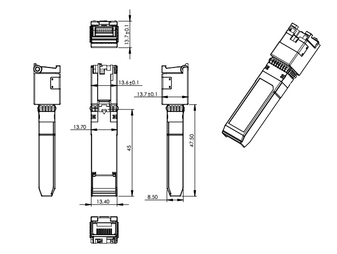
Desenho de contorno (mm)
| Date | Version | Description | Download | ||
| 2025-03-17 | Transceiver_LA-OT-10GT-RJ de cobre Datasheet _ 10G SFP | ||||
Inscreva-se agora, você pode obter mais de 100 recursos valiosos e white papers.
Siga-nos também pode obter os produtos mais recentes e informações do setor em nossos e-mails de membros.Aprenda detalhes >>>
Ligue para nós:
Envie-nos um e-mail:
2106B, # 3D, Cloud Park Fase 1, Bantian, Longgang, Shenzhen, 518129, P.R.C.