Projetado para uso em links Ethernet de 10 Gigabit até 80km em fibra de modo único. O módulo consiste em CWDM EML Laser, APD e pré-amplificador em um subconjunto óptico de alta integração.
Projetado para uso em links Ethernet de 10 Gigabit até 80km em fibra de modo único. O módulo consiste em CWDM EML Laser, APD e pré-amplificador em um subconjunto óptico de alta integração. As funções de diagnóstico digital estão disponíveis através de uma interface serial de 2 fios, conforme especificado em SFF8472. A ligação de dados do módulo até 80km em fibra de modo único 9/125um.
Características
● Compatível com SFP SFF-8431 e SFF-8432 pegada SFP Hot-plugable
● Suporta taxas de bits de 9,5 a 11,3 Gb/s
● Dissipação de energia <1.5W
● Única fonte de alimentação 3.3V
● Comprimento máximo do link de 80km
● Transmissor EML de comprimento de onda CWDM, foto-detector APD
● Conector LC duplex
● Dissipação de energia <1.5W
● Funções de diagnóstico digital embutidas
● Faixa de temperatura do caso: 0 ° C a 70 ° C
Padrão
● Compatível com SFF-8472 SFP MSA
● Compatível com SFP SFF-8431 e SFF-8432
● Compatível com 802.3ae 10GBASE-ZR
Avaliações máximas absolutas
Parâmetro | Símbolo | Min. | Typ. | Max. | Unidade | Nota |
Temperatura de armazenamento | Ts | -40 | 85 | °C | ||
Umidade ambiente de armazenamento | HA | 5 | 85 | % | ||
Tensão de alimentação | VCC | -0,5 | 4 | V | ||
Tensão de entrada de sinal | -0,3 | Vcc + 0,3 | V | |||
Limiar de danos do receptor | + 4 | DBm |
Ambiente Operação
Parâmetro | Símbolo | Min. | Typ. | Max. | Unidade | Nota |
Caso de funcionamento Temperatura | Tcase | 0 | 70 | °C | Nota (1) | |
Umidade ambiente | HA | 5 | 85 | % | ||
Fonte de alimentação Tensão | VCC | 3.14 | 3.3 | 3.46 | V | |
Fonte de alimentação Atual | ICC | 450 | MA | |||
Fonte de alimentação Rejeição de ruído | 100 | MVp-p | 100Hz a 1MHz | |||
Distância de transmissão | 80 | Km | ||||
Fibra acoplada | Fibra de modo único | ITU-T G.653 | ||||
Nota: -10 a 60degC com fluxo de ar de 1,5 m/s
Características ópticas
Parâmetro | Símbolo | Min. | Typ. | Max. | Unidade | Nota |
Transmissor | ||||||
Média lançada Poder | PO | -2 | 5 | DBm | Nota (1) | |
Relação de extinção | ER | 6 | DB | |||
Comprimento de onda do centro | Λc | 1470 | 1610 | Nm | ||
Espaço de comprimento de onda do centro | 20 | Nm | ||||
Espectro Banda Largura (RMS) | Σ | 1.0 | Nm | |||
SMSR | 30 | DB | ||||
Transmissor OFF Potência de saída | POff | -40 | DBm | |||
TX Jitter (pico-pico) | Txj | 0,1 | UI | |||
TX Jitter (RMS) | Txjrms | 0,01 | UI | |||
Transmissor e Penalidade de dispersão | TDP | 3.0 | DB | |||
Máscara de olho de saída | Em conformidade com IEEE 0802.3ae | |||||
Receptor | ||||||
Optical de entrada Comprimento de onda | Λ | 1270 | 1610 | Nm | ||
Sensibilidade do receptor | -22 | DBm | Nota (2) | |||
Saturação de entrada Potência (Sobrecarga) | Psat | -8 | DBm | |||
LOS Detectar- Assert Poder | PA | -36 | DBm | |||
LOS Detectar- Poder Deassert | PD | -23 | DBm | |||
LOS Detectar Histerese | PHYS | 2 | DB | |||
Nota:
1. O poder lançado (avg.) é o poder acoplado em uma fibra de modo único com conector. (Antes da vida)
2. Medido com sinal de teste de conformidade para BER = 10 ^-12.@10.3125Gbps, PRBS = 2 ^ 31-1, NRZ
Características elétricas
Parâmetro | Símbolo | Min. | Typ. | Max. | Unidade | Nota | |
Transmissor | |||||||
Linha diferencial Impedância de entrada | RIN | 100 | Ohm | ||||
Dados Diferenciais Balanço de entrada | VDT | 300 | 700 | MVp-p | |||
Transmitir Desativar Tensão | Vdis | 2 | Vcc | V | LVTTL | ||
Transmitir Ativar Tensão | Ven | Vee | Vee 0,8 | V | |||
Receptor | |||||||
Dados Diferenciais Balanço de saída | VDR | 400 | 850 | MVp-p | Nota (1) | ||
Saída LOS Tensão-alta | VLOSH | Vee | Vee 0,8 | V | LVTTL | ||
Saída LOS Tensão-baixa | VLOSL | 2 | VccHOST | V | |||
Nota: Em 100Ω terminação diferencial.
Pin Descrição

Pino | Símbolo | Nome/Descrição | Nota |
1 | VEET | Terra do transmissor (comum com aterramento do receptor) | 1 |
2 | FALHA | Falha do transmissor. | 2 |
3 | TDIS | Desativar transmissor. Saída de laser desativada em alta ou aberta. | 3 |
4 | SDA | Linha de dados de interface serial de 2 fios | 4 |
5 | SCL | Linha de relógio de interface serial de 2 fios | 4 |
6 | MOD_ABS | Módulo ausente. Aterrado dentro do módulo | 4 |
7 | RS0 | Taxa Selecionar 0 | 5 |
8 | LOS | Perda de indicação de sinal. A lógica 0 indica a operação normal. | 6 |
9 | RS1 | Não é necessária conexão | 1 |
10 | VEER | Receptor de terra (comum com terra do transmissor) | 1 |
11 | VEER | Receptor de terra (comum com terra do transmissor) | 1 |
12 | RD- | DADOS invertidos do receptor para fora. AC Acoplado | |
13 | RD | Receptor Não-invertido DADOS para fora. AC Acoplado | |
14 | VEER | Receptor de terra (comum com terra do transmissor) | 1 |
15 | VCCR | Fonte de alimentação do receptor | |
16 | VCCT | Fonte de alimentação do transmissor | |
17 | VEET | Terra do transmissor (comum com aterramento do receptor) | 1 |
18 | TD | DADOS não invertidos do transmissor em. AC Acoplado. | |
19 | TD- | DADOS invertidos do transmissor em. AC Acoplado. | |
20 | VEET | Terra do transmissor (comum com aterramento do receptor) | 1 |
Notas:
1. a falha de TX é uma saída aberta do coletor, que deve ser puxada para cima com um resistor de 4,7 k ~ 10kΩ na placa do anfitrião a uma tensão entre 2.0V e Vcc 0,3 V. A lógica 0 indica a operação normal; a lógica 1 indica uma falha de laser de algum tipo. No estado baixo, a saída será puxada para menos de 0,8 V.
2. TX Desabilitar é uma entrada que é usada para desligar a saída óptica do transmissor. Ele é puxado para cima dentro do módulo com um resistor de 4,7 k ~ 10kΩ. Seus estados são:
Baixo (0 ~ 0,8 V): Transmissor ligado
(> 0,8 V, <2.0V): Indefinido
Alta (2.0 ~ 3.3V): Transmissor Desativado
Aberto: Transmissor Desativado
3. MOD-DEF 0,1,2 é os pinos de definição do módulo. Eles devem ser puxados para cima com um resistor de 4,7 k ~ 10kΩ na placa do host. A tensão pull-up deve ser VcT ou VccR.
MOD-DEF 0 é aterrado pelo módulo para indicar que o módulo está presente
MOD-DEF 1 é a linha de relógio da interface serial de dois fios para ID serial
MOD-DEF 2 é a linha de dados da interface serial de dois fios para ID serial
4. LOS é uma saída de coletor aberto, que deve ser puxado para cima com um resistor de 4,7 k ~ 10kΩ na placa de host para uma tensão entre 2.0V e Vcc 0,3 V. A lógica 0 indica operação normal; a lógica 1 indica perda de sinal. No estado baixo, a saída será puxada para menos de 0,8 V.
5. estes são a saída do receptor diferencial. Eles são linhas diferenciais de 100Ω acopladas a CA internamente que devem ser terminadas com 100Ω (diferencial) no usuário SERDES.
6. estas são as entradas do transmissor diferencial. São linhas diferenciais acopladas a CA com terminação diferencial de 100Ω dentro do módulo.
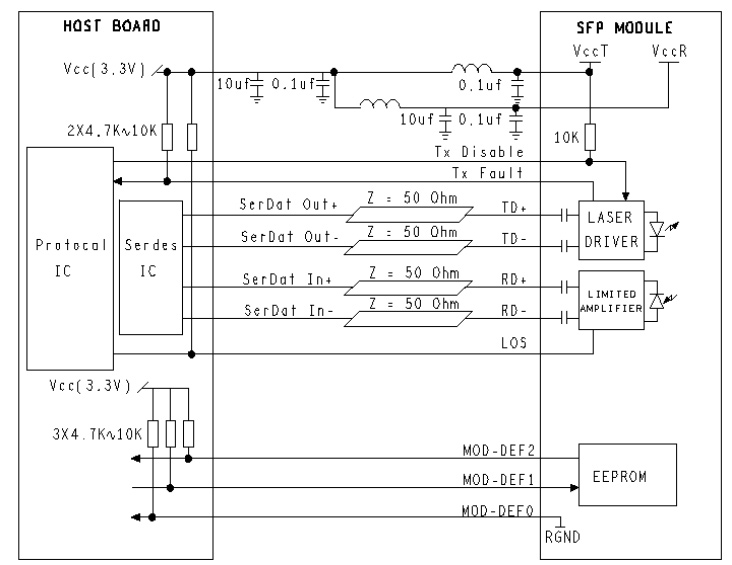
Circuito de aplicação recomendado
Desenhos de contorno (mm)
Conformidade Regulatória
Característica | Referência | Desempenho |
Disge eletrostática (ESD) | IEC/EN 61000-4-2 | Compatível com padrões |
Interferência eletromagnética (EMI) | FCC Parte 15 Classe B EN 55022 Classe B (CISPR 22A) | Compatível com padrões |
Segurança ocular do laser | FDA 21CFR 1040.10, 1040.11 IEC/EN 60825-1, 2 | Produto laser classe 1 |
Reconhecimento componente | IEC/EN 60950, UL | Compatível com padrões |
ROHS | 2002/95/CE | Compatível com padrões |
EMC | EN61000-3 | Compatível com padrões |
Aplicação
● 10GBASE-ZR/ZW 10G Ethernet
| Date | Version | Description | Download | ||
| 2025-03-17 | Datasheet _ 10G CWDM SFP 1470nm ~ 1610nm 80km_LA-OT-10GCW46-80_V2.Y | ||||
Inscreva-se agora, você pode obter mais de 100 recursos valiosos e white papers.
Siga-nos também pode obter os produtos mais recentes e informações do setor em nossos e-mails de membros.Aprenda detalhes >>>
Ligue para nós:
Envie-nos um e-mail:
2106B, # 3D, Cloud Park Fase 1, Bantian, Longgang, Shenzhen, 518129, P.R.C.