Pacote SFP com conector LC, DML CWDM DFB Laser e fotodetector de PIN-TIA, até 40km de transmissão em SMF.
Características
● Pacote SFP com conector LC
● DML CWDM DFB Laser e fotodetector de PIN-TIA
● Transmissão de até 40km em SMF
● Até 11.3Gbps Links de dados
● Fonte de alimentação única 3.3V
● Dissipação de energia <1.5W
● Interface de 2 fios com monitoramento de diagnóstico digital integrado
● Baixa EMI e excelente proteção ESD
● Padrão de segurança laser IEC-60825 compatível
● Compatível com RoHS
● Compatível com SFF-8472 SFP MSA
● Compatível com SFP SFF-8431 e SFF-8432
Avaliações máximas absolutas
Parâmetro | Símbolo | Mínimo | Máximo | Unidades |
Temperatura de armazenamento | Tst | -40 | + 85 | °C |
Tensão de alimentação | Vcc | -0,3 | + 3.5 | V |
Parente operacional Umidade | RH | 5 | 95 | % |
Ambiente Operação
Parâmetro | Símbolo | Min | Típico | Max | Unidades |
Tensão de alimentação | Vcc | 3.15 | 3.3 | 3,45 | V |
Caso de funcionamento Temperatura | Tc | 0 | + 70 | °C | |
Dissipação de energia | 1.5 | W | |||
Taxa de dados | 10.3125 | Gbps |
Características ópticas
Parâmetro | Símbolo | Min. | Typ. | Max. | Unidades |
Seção Transmissor | |||||
Comprimento de onda do centro | Lo | 1270 | 1370 | Nm | |
Largura espectral (-20dB) | Dl | 1 | Nm | ||
Potência de saída média | Po | 0 | 5 | DBm | |
Relação de extinção | Er | 3.5 | DB | ||
Lado-Modo Razão de Supressão | SMSR | 30 | DB | ||
Jitter total | Tj | IEEE 802.3ae | |||
Seção Receptor | |||||
Comprimento de onda do centro | Lo | 1270 | 1610 | Nm | |
Sensibilidade do receptor | Rsen | -15 | DBm | ||
Sobrecarga do receptor | Rov | 0 | DBm | ||
Perda de retorno | 12 | DB | |||
LOS Assert | LOSA | -28 | DBm | ||
LOS Sobremesa | LOSD | -16 | DBm | ||
Histerese de LOS | 0,5 | 4 | |||
Características elétricas
Parâmetro | Símbolo | Min. | Typ. | Max. | Unidade | |
Seção Transmissor | ||||||
Diferencial de entrada Impendência | Zin | 90 | 100 | 110 | Ohm | |
Balanço de entrada de dados Diferencial | Vin | 180 | 700 | MV | ||
TX Desativar | Desativar | 2.0 | Vcc | V | ||
Habilitar | -0,3 | 0,8 | V | |||
Falha TX | Assert | 2.4 | Vcc | V | ||
Deassert | -0,3 | 0,8 | V | |||
Seção Receptor | ||||||
Diferencial de saída Impendência | Zout | 80 | 100 | 120 | Ohm | |
Balanço de entrada de dados Diferencial | Vout | 300 | 850 | MV | ||
Rx_LOS | Assert | 2.0 | Vcc | V | ||
Deassert | -0,3 | 0,4 | V | |||
Diagnósticos
Parâmetro | Alcance | Precisão | Unidade | Calibração |
Temperatura | 0 ~ 70 | ± 5 | °C | Interno |
Tensão | 3,15 ~ 3,45 | ± 0,1 | V | Interno |
Atual de viés | 10 ~ 80 | ± 2 | MA | Interno |
Potência Tx | -2 ~ 5 | ± 2 | DBm | Interno |
Potência Rx | -16 ~ -3 | ± 3 | DBm | Interno |
Pin Descrição

Alfinetes | Nome | Descrição | NOTA |
1 | VeeT | Terra transmissor | |
2 | Falha Tx | Indicação de falha do transmissor | 1 |
3 | Desativar Tx | Desativar transmissor | 2 |
4 | MOD DEF2 | Definição do módulo 2 | 3 |
5 | MOD DEF1 | Definição do módulo 1 | 3 |
6 | MOD DEF0 | Definição do módulo 0 | 3 |
7 | RS0 | Não conectado | |
8 | LOS | Perda de sinal | 4 |
9 | RS1 | Não conectado | |
10 | VeeR | Receptor de terra | |
11 | VeeR | Receptor de terra | |
12 | RD- | Inv. Saída de dados recebida | 5 |
13 | RD | Saída de dados recebida | 5 |
14 | VeeR | Receptor de terra | |
15 | VccR | Potência do receptor | |
16 | VccT | Potência do Transmissor | |
17 | VeeT | Terra transmissor | |
18 | TD | Transmitir entrada de dados | 6 |
19 | TD- | Inv. Transmitir entrada de dados | 6 |
20 | VeeT | Terra transmissor |
Notas:
1. a falha de TX é uma saída aberta do coletor, que deve ser puxada para cima com um resistor de 4,7 k ~ 10kΩ na placa do anfitrião a uma tensão entre 2.0V e Vcc 0,3 V. A lógica 0 indica a operação normal; a lógica 1 indica uma falha de laser de algum tipo. No estado baixo, a saída será puxada para menos de 0,8 V.
2. TX Desabilitar é uma entrada que é usada para desligar a saída óptica do transmissor. Ele é puxado para cima dentro do módulo com um resistor de 4,7 k ~ 10kΩ. Seus estados são:
Baixo (0 ~ 0,8 V): Transmissor ligado
(> 0,8 V, <2.0V): Indefinido
Alta (2.0 ~ 3.3V): Transmissor Desativado
Aberto: Transmissor Desativado
3. MOD-DEF 0,1,2 é os pinos de definição do módulo. Eles devem ser puxados para cima com um resistor de 4,7 k ~ 10kΩ na placa do host. A tensão pull-up deve ser VcT ou VccR.
MOD-DEF 0 é aterrado pelo módulo para indicar que o módulo está presente
MOD-DEF 1 é a linha de relógio da interface serial de dois fios para ID serial
MOD-DEF 2 é a linha de dados da interface serial de dois fios para ID serial
4. LOS é uma saída de coletor aberto, que deve ser puxado para cima com um resistor de 4,7 k ~ 10kΩ na placa de host para uma tensão entre 2.0V e Vcc 0,3 V. A lógica 0 indica operação normal; a lógica 1 indica perda de sinal. No estado baixo, a saída será puxada para menos de 0,8 V.
5. estes são a saída do receptor diferencial. Eles são linhas diferenciais de 100Ω acopladas a CA internamente que devem ser terminadas com 100Ω (diferencial) no usuário SERDES.
6. estas são as entradas do transmissor diferencial. São linhas diferenciais acopladas a CA com terminação diferencial de 100Ω dentro do módulo.
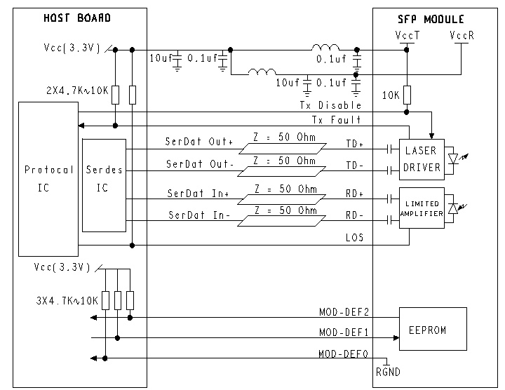
Circuito de aplicação recomendado
Desenho de contorno (mm)
Aplicação
● Ethernet
● Telecom
● Canal de fibra
| Date | Version | Description | Download | ||
| 2025-03-17 | Datasheet _ 10G CWDM SFP 1270nm ~ 1370nm 40km_LA-OT-10GCW23-40_V2.Y | ||||
Inscreva-se agora, você pode obter mais de 100 recursos valiosos e white papers.
Siga-nos também pode obter os produtos mais recentes e informações do setor em nossos e-mails de membros.Aprenda detalhes >>>
Ligue para nós:
Envie-nos um e-mail:
2106B, # 3D, Cloud Park Fase 1, Bantian, Longgang, Shenzhen, 518129, P.R.C.