Pacote SFP com conector LC, 1310nm DFB Laser e PIN detector de fotos.
Características
● Pacote SFP com conector LC
● 1310nm DFB Laser e PIN detector de fotos
● Transmissão de até 1,4 km no SMF
● Dissipação de energia <1W
● Interface de entrada/saída de dados compatível com LVPECL
● Baixa EMI e excelente proteção ESD
● Padrão de segurança laser IEC-60825 compatível
● Compatível com RoHS
● Compatível com SFF8472
Parâmetro | Símbolo | Mínimo | Máximo | Unidades |
Temperatura de armazenamento | Tst | -40 | + 85 | °C |
Tensão de alimentação | Vcc | 0 | + 3.6 | V |
Humidade relativa operacional | RH | 0 | 85 | % |
Ambiente Operação
Parâmetro | Símbolo | Min | Típico | Max | Unidades | |
Tensão de alimentação | Vcc | 3.15 | 3,45 | V | ||
Temperatura do caso de funcionamento | Comercial | Tc | 0 | + 70 | °C | |
Dissipação de energia | 1 | W | ||||
Taxa de dados | 10.3125 | Gbps | ||||
Características ópticas
(Temperatura de operação ambiente 0 °C a + 70 °C, Vcc = 3,3 V)
Parâmetro | Símbolo | Min. | Typ. | Max. | Unidades |
Seção Transmissor | |||||
Comprimento de onda do centro | Lo | 1290 | 1310 | 1330 | Nm |
Razão de supressão de modo lateral | SMSR | 35 | - | - | DB |
Potência de saída média | Po | -8 | - | 0,5 | DBm |
Relação de extinção | Er | 3.5 | - | - | DB |
Penalidade de dispersão | 3.2 | DB | |||
Ruído de intensidade relativa | RIN12OMA | -128 | DB/Hz | ||
Jitter total | Tj | IEEE 802.3ae | |||
Seção Receptor | |||||
Comprimento de onda do centro | Lo | 1310 | Nm | ||
Sensibilidade do receptor | Rsen | -14 | DBm | ||
Sensibilidade estressada | Rsen | -13 | DBm | ||
Sobrecarga do receptor | Rov | -3 | DBm | ||
Perda de retorno | 12 | DB | |||
LOS Assert | LOSA | -25 | DBm | ||
LOS Sobremesa | LOSD | -15 | DBm | ||
Histerese de LOS | 0,5 | 4 | |||
Características elétricas
(Temperatura de operação ambiente 0 °C a 70 °C, Vcc = 3,3 V)
Parâmetro | Símbolo | Min. | Typ. | Max. | Unidade | |
Seção Transmissor | ||||||
Impendência diferencial de entrada | Zin | 90 | 100 | 110 | Ohm | |
Diferencial de balanço de entrada de dados | Vin | 180 | 700 | MV | ||
TX Desativar | Desativar | 2.0 | Vcc | V | ||
Habilitar | 0 | 0,8 | V | |||
Falha TX | Assert | 2.0 | Vcc | V | ||
Deassert | 0 | 0,8 | V | |||
Seção Receptor | ||||||
Impendência diferencial de saída | Zout | 100 | Ohm | |||
Diferencial de balanço de saída de dados | Vout | 300 | 800 | MV | ||
Rx_LOS | Assert | 2.0 | Vcc | V | ||
Deassert | 0 | 0,8 | V | |||
Diagnósticos
Parâmetro | Alcance | Precisão | Unidade | Calibração |
Temperatura | -10 ~ 75 | ± 5 | °C | Interno |
Tensão | 3,15 ~ 3,45 | ± 0,1 | V | Interno |
Atual de viés | 10 ~ 80 | ± 2 | MA | Interno |
Potência Tx | -8 ~ 1 | ± 2 | DBm | Interno |
Potência Rx | -16 ~ -3 | ± 3 | DBm | Interno |
INFORMAÇÃO EEPROM (A0)
Addr | Tamanho do campo (bytes) | Nome do campo | HEX | Descrição |
0 | 1 | Identificador | 03 | SFP |
1 | 1 | Ext. Identificador | 04 | MOD4 |
2 | 1 | Conector | 07 | LC |
3-10 | 8 | Transceptor | 10 00 00 00 00 00 00 00 00 | Código do Transmissor |
11 | 1 | Codificação | 06 | 64B66B |
12 | 1 | BR, nominal | 67 | 10000M bps |
13 | 1 | Reservado | 00 | |
14 | 1 | Comprimento (9um)-km | 0A | |
15 | 1 | Comprimento (9um) | 00 | |
16 | 1 | Comprimento (50um) | 00 | |
17 | 1 | Comprimento (62.5um) | 00 | |
18 | 1 | Comprimento (cobre) | 00 | |
19 | 1 | Reservado | 00 | |
20-35 | 16 | Nome do fornecedor | 57 49 4E 54 4F 50 20 20 20 20 20 20 20 20 20 20 20 | OEM |
36 | 1 | Reservado | 00 | |
37-39 | 3 | Fornecedor OUI | 00 00 00 00 | |
40-55 | 16 | Fornecedor PN | Xx xx xx xx xx xx xx xx xx xx x xx Xx xx xx xx xx xx xx xx xx xx x xx | ASC II |
56-59 | 4 | Rev. do fornecedor | 31 2E 30 20 | V1.0 |
60-61 | 2 | Comprimento de onda | 05 1E | 1310nm |
62 | 1 | Reservado | 00 | |
63 | 1 | BASE CC | XX | Verifique a soma do byte 0 ~ 62 |
64-65 | 2 | Opções | 00 1A | LOS, TX_DISABLE, TX_FAULT |
66 | 1 | BR, max | 00 | |
67 | 1 | BR, min | 00 | |
68-83 | 16 | Fornecedor SN | 00 00 00 00 00 00 00 00 00 00 00 00 00 00 00 00 00 00 | Não especificado |
84-91 | 8 | Código de data do fornecedor | XX XX XX 20 | Ano, mês, dia |
92-94 | 3 | Reservado | 00 | |
95 | 1 | CC_EXT | XX | Verifique a soma do byte 64 ~ 94 |
96-255 | 160 | Fornecedor específico |
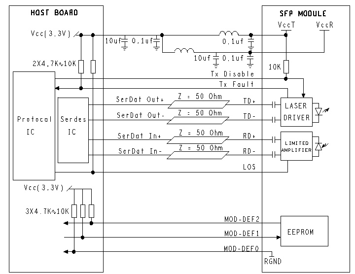
Pin Descrição
Alfinetes | Nome | Descrição | NOTA |
1 | VeeT | Terra transmissor | |
2 | Falha Tx | Indicação de falha do transmissor | 1 |
3 | Desativar Tx | Desativar transmissor | 2 |
4 | MOD DEF2 | Definição do módulo 2 | 3 |
5 | MOD DEF1 | Definição do módulo 1 | 3 |
6 | MOD DEF0 | Definição do módulo 0 | 3 |
7 | RS0 | Não conectado | |
8 | LOS | Perda de sinal | 4 |
9 | RS1 | Não conectado | |
10 | VeeR | Receptor de terra | |
11 | VeeR | Receptor de terra | |
12 | RD- | Inv. Saída de dados recebida | 5 |
13 | RD | Saída de dados recebida | 5 |
14 | VeeR | Receptor de terra | |
15 | VccR | Potência do receptor | |
16 | VccT | Potência do Transmissor | |
17 | VeeT | Terra transmissor | |
18 | TD | Transmitir entrada de dados | 6 |
19 | TD- | Inv. Transmitir entrada de dados | 6 |
20 | VeeT | Terra transmissor |
Notas:
1. a falha de TX é uma saída aberta do coletor, que deve ser puxada para cima com um resistor de 4,7 k ~ 10kΩ na placa do anfitrião a uma tensão entre 2.0V e Vcc 0,3 V. A lógica 0 indica a operação normal; a lógica 1 indica uma falha de laser de algum tipo. No estado baixo, a saída será puxada para menos de 0,8 V.
2. TX Desabilitar é uma entrada que é usada para desligar a saída óptica do transmissor. Ele é puxado para cima dentro do módulo com um resistor de 4,7 k ~ 10kΩ. Seus estados são:
Baixo (0 ~ 0,8 V): Transmissor ligado
(> 0,8 V, <2.0V): Indefinido
Alta (2.0 ~ 3.465V): Transmissor Desativado
Aberto: Transmissor Desativado
3. MOD-DEF 0,1,2 é os pinos de definição do módulo. Eles devem ser puxados para cima com um resistor de 4,7 k ~ 10kΩ na placa do host. A tensão pull-up deve ser VcT ou VccR.
MOD-DEF 0 é aterrado pelo módulo para indicar que o módulo está presente
MOD-DEF 1 é a linha de relógio da interface serial de dois fios para ID serial
MOD-DEF 2 é a linha de dados da interface serial de dois fios para ID serial
4. LOS é uma saída de coletor aberto, que deve ser puxado para cima com um resistor de 4,7 k ~ 10kΩ na placa de host para uma tensão entre 2.0V e Vcc 0,3 V. A lógica 0 indica operação normal; a lógica 1 indica perda de sinal. No estado baixo, a saída será puxada para menos de 0,8 V.
5. estes são a saída do receptor diferencial. Eles são linhas diferenciais de 100Ω acopladas a CA internamente que devem ser terminadas com 100Ω (diferencial) no usuário SERDES.
6. estas são as entradas do transmissor diferencial. São linhas diferenciais acopladas a CA com terminação diferencial de 100Ω dentro do módulo.
Circuito de aplicação recomendado

Desenho de contorno (mm)

Aplicação
● Ethernet
● Canal de fibra
| Date | Version | Description | Download | ||
| 2025-03-17 | LC_LA-OT-10G3-1.4_V2.Y SM Datasheet_10G SFP LR 1310nm 1.4km | ||||
Inscreva-se agora, você pode obter mais de 100 recursos valiosos e white papers.
Siga-nos também pode obter os produtos mais recentes e informações do setor em nossos e-mails de membros.Aprenda detalhes >>>
Ligue para nós:
Envie-nos um e-mail:
2106B, # 3D, Cloud Park Fase 1, Bantian, Longgang, Shenzhen, 518129, P.R.C.